LEMON Manuals: Even more car manuals for everyone
Home >> Buick >> 1989 >> Reatta >> Repair and Diagnosis (Single Page) >> Engine Performance >> System >> 3.8L BCM Tests W/Codes >> Self-Diagnostics >> Code B111, A/C High Side Temperature Sensor Circuit >> Notes

Code B111, A/C High Side Temperature Sensor Circuit: Notes

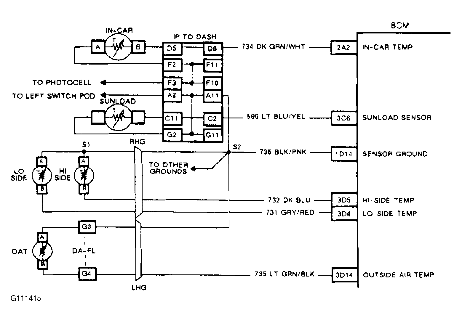
Fig 1: Code B111, Wiring Diagram A/C High Side Temperature Sensor Circuit
G111415
Fig 2: Code B111, Wiring Diagram A/C High Side Temperature Sensor Circuit
G105679

The A/C high side temperature sensor is a thermistor that controls signal voltage to BCM. The BCM applies and monitors voltage on circuit No. 732 to sensor. When sensor is cold, its resistance is high, therefore, BCM will see a high monitored voltage. As sensor warms, resistance becomes less and signal voltage is pulled low through sensor ground, circuit No. 736. This monitored voltage will vary between 5 volts (open circuit) and zero volts (shorted circuit).

Code B111 will set if ignition is on, outside temperature sensor has not failed and reads greater than 32°F (0°C), and signal voltage indicates less than -24°F (33°C), which is open circuit voltage or greater than 408°F (209°C), which is shorted circuit voltage. During time failure is present, a substitute temperature reading will be used to allow continued operation of climate control system. The A/C high side temperature reading BD27 display will indicate actual sensor reading.

NOTE: Test numbers refer to numbers on diagnostic chart.
  1. Checks to see if open circuit reading is due to circuit or sensor. If open circuit reading changes to a shorted circuit reading after jumping sensor terminal, BCM and wiring are okay.
  2. By applying a ground to various points in circuits, an open can be isolated by observing whether parameter display can be changed from open reading to shorted reading.
  3. Checks to see if shorted circuit reading is due to circuit or sensor. If shorted circuit reading changes to an open circuit reading after disconnecting sensor, BCM and wiring are okay.