LEMON Manuals: Even more car manuals for everyone
Home >> Buick >> 1989 >> Reatta >> Repair and Diagnosis (Single Page) >> Engine Performance >> System >> 3.8L BCM Tests W/Codes >> Self-Diagnostics >> Code B110, Outside Temperature Sensor Circuit >> Notes

Code B110, Outside Temperature Sensor Circuit: Notes

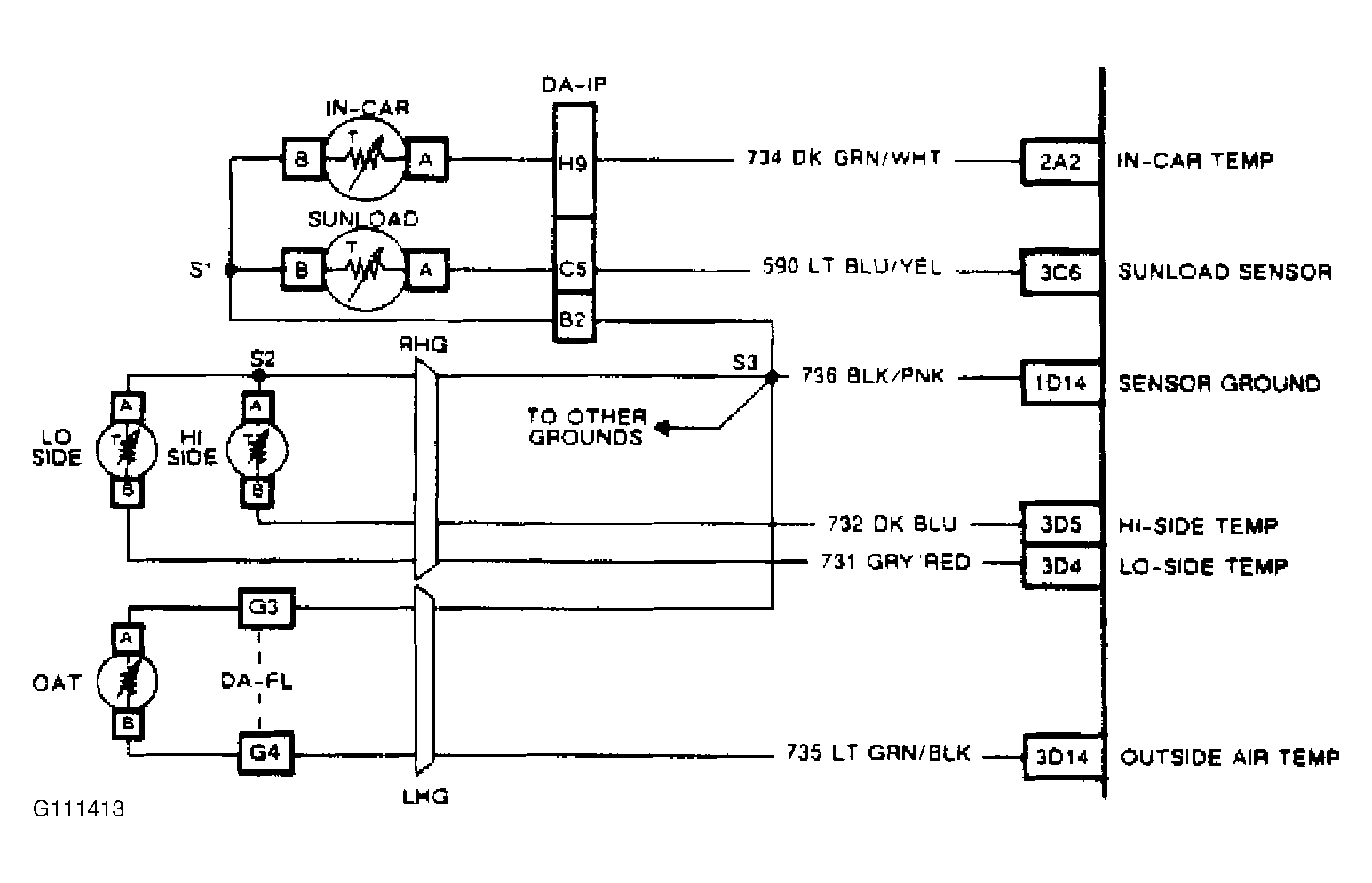
Fig 1: Code B110, Wiring Diagram Outside Temperature Sensor Circuit
G111413

The outside air temperature sensor is a thermistor that controls signal voltage to BCM. The BCM applies and monitors voltage on circuit No. 735 to sensor. When sensor is cold, its resistance is high, therefore BCM will see a high monitored voltage. As sensor warms, its resistance becomes less and signal voltage is pulled low through sensor ground, circuit No. 736. This signal voltage will vary between 5 volts (open circuit) and zero volts (shorted circuit).

Code B110 will set if ignition is on and signal voltage indicates less than -31°F (-35°C), which is open circuit voltage or greater than 137°F (58°C), which is shorted circuit voltage. During time failure is present, a substitute temperature reading will be used to allow continued operation of the climate control system, and continuous compressor at idle will be disabled. The outside air temperature reading BD26 display will indicate the actual sensor reading.

NOTE: Test numbers refer to numbers on diagnostic chart.
  1. Checks to see if open circuit reading is due to circuit or sensor. If open circuit reading changes to a shorted circuit reading after jumping sensor terminals, BCM and wiring are okay.
  2. By applying a ground to various points in the circuits, an open can be isolated by observing whether parameter display can be changed from open reading to shorted reading.
  3. Checks to see if shorted circuit reading is due to circuit or sensor. If shorted circuit reading changes to an open circuit reading after disconnecting sensor, BCM and wiring are okay.