LEMON Manuals: Even more car manuals for everyone
Home >> Buick >> 1988 >> Reatta >> Repair and Diagnosis (Single Page) >> Engine Performance >> System >> 3800 VIN [C] - BCM Tests W/Codes >> Chart/Code "B" >> Code B332, Loss Of Compass Module Data >> Note On Intermittents

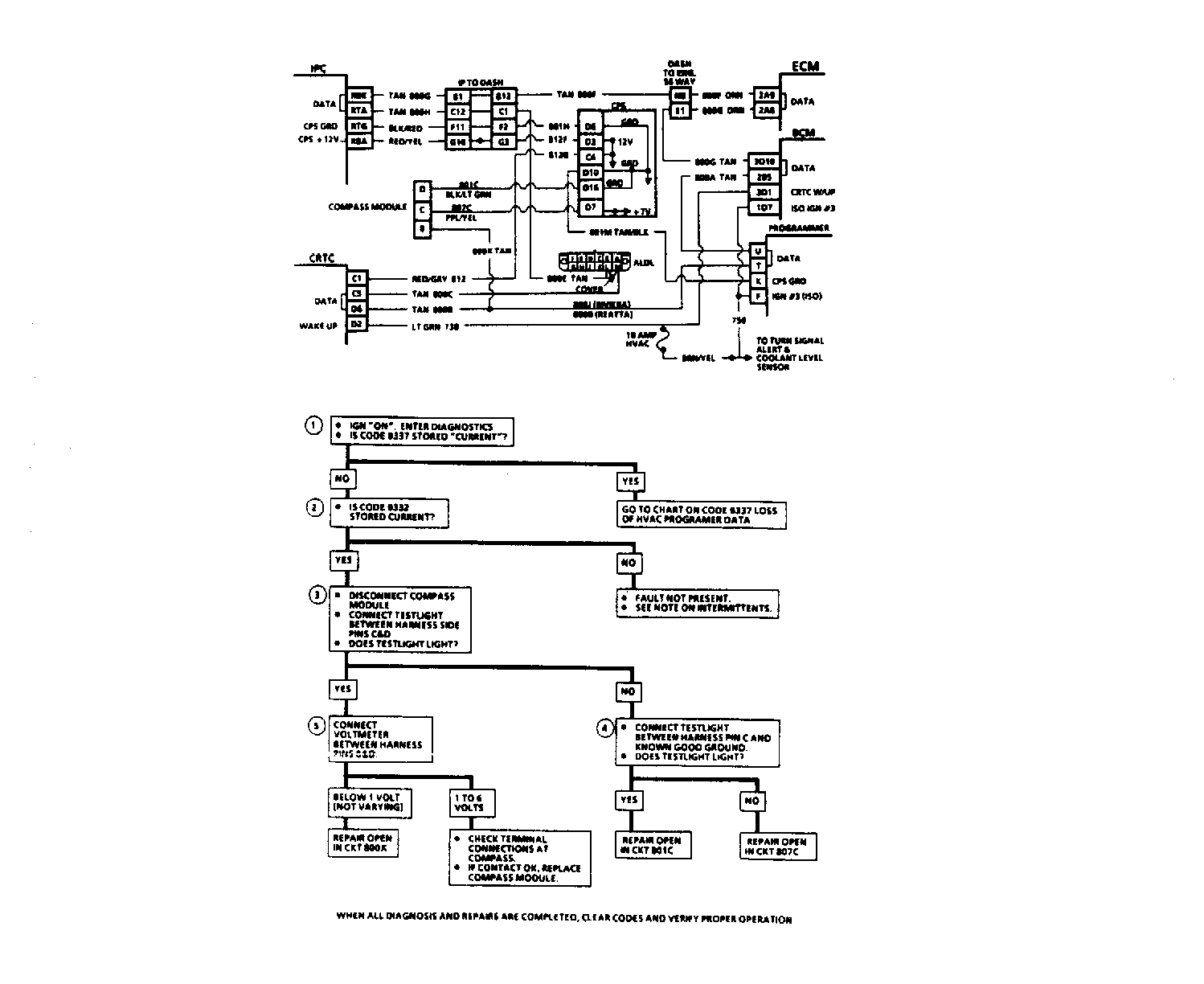
Note On Intermittents

If Code B332 shows up as "History", check for intermittent opens in circuits No. 801E, 807C and/or 800X. The problem will not be a short in these circuits as this would prevent on-board diagnostics from operating.

Fig 1: Code B332, Loss Of Compass Module Data
G57571