LEMON Manuals: Even more car manuals for everyone
Home >> BMW >> 2017 >> i3 Range Extender >> Repair and Diagnosis (Single Page) >> General Information >> OEM General Information >> Functional Description -- I3_I01 >> Range extender digital engine electronics >> System functions >> interfaces fuel supply

interfaces fuel supply

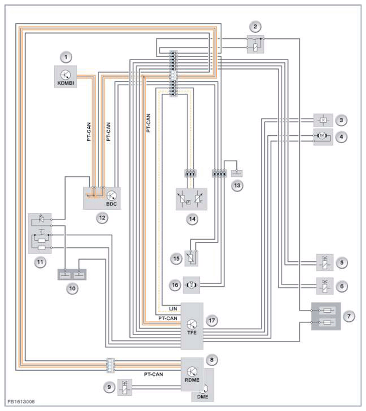
The following system overview shows the interfaces fuel supply using the example of I01 with range extender:

G11149572Courtesy of BMW OF NORTH AMERICA, INC.
Item Explanation
1 Instrument panel (KOMBI)
2 Fuel pump relay
3 Fuel filler flap sensor
4 Servo drive for fuel filler flap
5 Tank isolation valve
6 Fuel tank non-return valve
7 Power distribution box Life module
8 Range extender digital engine electronics (RDME)
9 Tank vent valve
10 Ground contact
11 Refuelling button
12 Body Domain Controller
13 Ground contact
14 Fuel tank pressure sensor combined with temperature sensor
15 Fuel level sensor
16 Fuel pump
17 Tank function electronics (TFE)