LEMON Manuals: Even more car manuals for everyone
Home >> BMW >> 2017 >> i3 Range Extender >> Repair and Diagnosis (Single Page) >> General Information >> OEM General Information >> Functional Description -- I3_I01 >> Hybrid pressure refuelling electronic control unit >> System functions >> Functional networking

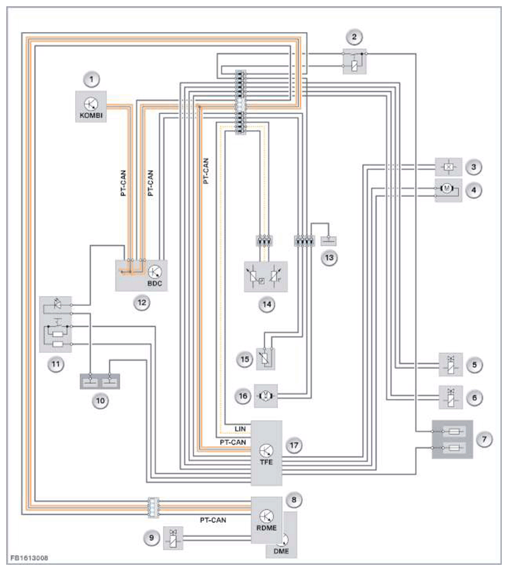
Functional networking

G11149516Courtesy of BMW OF NORTH AMERICA, INC.
Item Explanation
1 Instrument panel (KOMBI)
2 Fuel pump relay
3 Fuel filler flap sensor
4 Servo drive for fuel filler flap
5 Fuel tank isolation valve
6 Fuel tank non-return valve
7 Power distribution box Life module
8 Range extender digital engine electronics (RDME, I01) or DME
9 Tank vent valve 10 Ground contact
11 Refuelling button
12 Body Domain Controller (BDC)
13 Ground contact
14 Fuel tank pressure sensor combined with temperature sensor
15 Fuel level sensor
16 Fuel pump
17 Tank function electronics (TFE)