LEMON Manuals: Even more car manuals for everyone
Home >> BMW >> 2017 >> M2 Standard Trans >> Repair and Diagnosis (Single Page) >> General Information >> OEM General Information >> Functional Description - F22/F23/F87 (1 Of 2) >> Transmission & Driveline System - Functional Description >> Gear lever switch >> System functions >> Functional networking

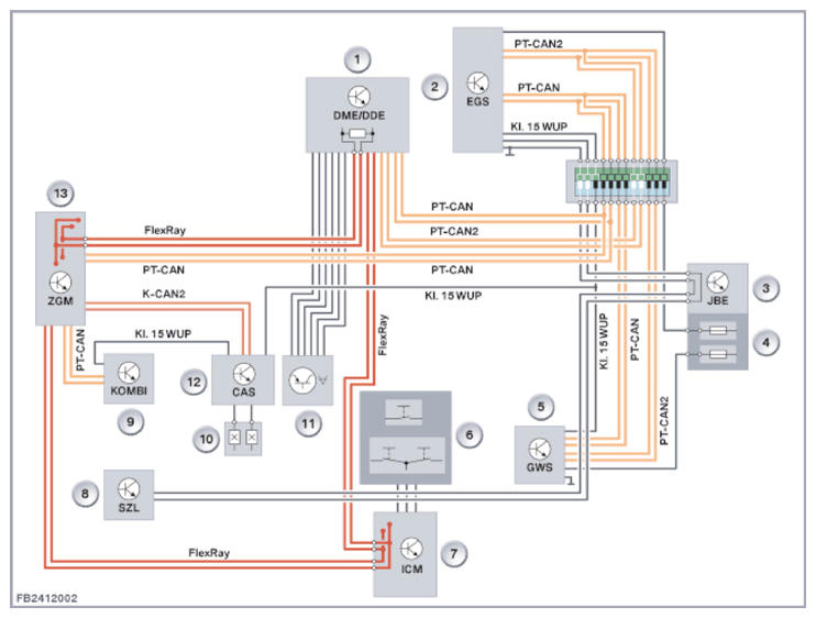
Functional networking

The following system overview shows the functional networking using the example of F01.

not illustrated: Functional networking with front electronic module (FEM), e.g. F30.

Fig 1: Gear Lever Switch Communication Diagram
G09872566Courtesy of BMW OF NORTH AMERICA, INC.
Item Explanation
1 DME (Digital Engine Electronics) or DDE (Digital Diesel Electronics)
2 Electronic transmission control (EGS)
3 Junction Box Electronics (JBE)
4 Front fuse and relay module
5 Gear selector switch (GWS)
6 Center console operating facility
7 Integrated chassis management (ICM)
8 Steering column switch center (SZL)
9 Instrument panel (KOMBI)
10 Brake light switch
11 Accelerator pedal module
12 Car access system (CAS)
13 Central gateway module (ZGM)