LEMON Manuals: Even more car manuals for everyone
Home >> BMW >> 2017 >> M2 Standard Trans >> Repair and Diagnosis (Single Page) >> General Information >> OEM General Information >> Functional Description - F22/F23/F87 (1 Of 2) >> Cruise Control System - Functional Description >> Active cruise control with Stop & Go function >> System functions >> Functional networking

Functional networking

Fig 1: Footwell Module Communication Diagram
G09872118Courtesy of BMW OF NORTH AMERICA, INC.

Displayed E70, E71

Item Description
1 Footwell module (FRM)
2 Instrument panel (KOMBI)
3 Trailer Module (AHM)
4 Rain-light-solar-condensation sensor
5 Roof function center (FZD)
6 Dynamic stability control (DSC)
7 Electronic transmission control (EGS)
8 Digital Motor Electronics or Digital
Diesel Electronics (DME or DDE)
9 Active cruise control (ACC)
10 Junction box fuse
11 Junction box electronics (JBE)
12 Electromechanical parking brake (EMF)
13 Car Access System (CAS)
14 Longitudinal Dynamics Management (LDM)
15 Central information display (CID)
16 Car Information Computer (CIC)
17 Head-Up Display (HUD)
18 Crash safety module (ACSM)
19 Driver's seat belt buckle contact
20 Driver's door contact
21 Controller (CON)
22 Steering column switch cluster (SZL)
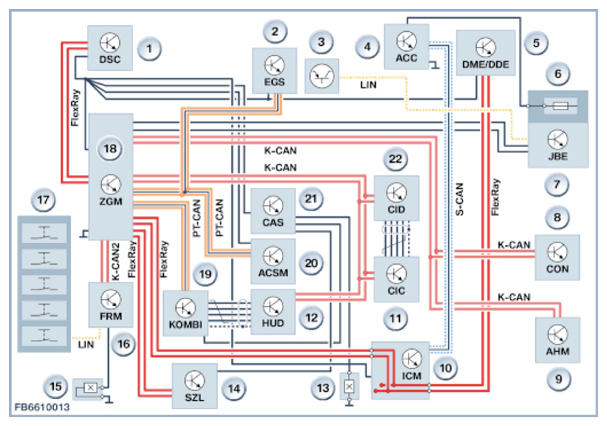
Fig 2: Dynamic Stability Control (DSC) Communication Diagram
G09872119Courtesy of BMW OF NORTH AMERICA, INC.

Displayed F0x, F1x

Item Description
1 Dynamic stability control (DSC)
2 Electronic transmission control (EGS)
3 Rain-light-solar-condensation sensor
4 Active cruise control (ACC) with ACC control unit and ACC sensor
5 Digital Motor Electronics or Digital Diesel Electronics (DME or DDE)
6 Front power distribution box
7 Junction box electronics (JBE)
8 Controller (CON)
9 Trailer Module (AHM)
10 Integrated Chassis Management (ICM)
11 Car Information Computer (CIC)
12 Head-Up Display (HUD)
13 Driver's seat belt buckle contact
14 Steering column switch cluster (SZL)
15 Driver's door contact
16 Footwell module (FRM)
17 Assist systems operating facility
18 Central gateway module (ZGM)
19 Instrument panel (KOMBI)
20 Crash safety module (ACSM)
21 Car Access System (CAS)

For implementation of the Stop & Go function, a complex system network with distributed functions in other control units is necessary. The ICM control unit or LDM control unit is connected across data buses to these other control units.

The following control units are networked for the overall function:

Control unit Function
DME or DDE: Engine control Implementation of the torque request "Engine on" signal
DSC: Dynamic stability control Driving condition
Implementation of brake intervention
SZL: Steering column switch cluster ACC operation
E70, E71: Drop arm
F0x, F1x: Buttons on steering wheel
Steering angle
CIC: Navigation system Data from navigation system (influence on control variables)
INSTRUMENT PANEL: Instrument panel control unit Diagram of the displays (ACC and Check Control messages)
HUD: Head-Up Display Diagram of the displays (ACC and Check Control messages)
CAS: Car access system Terminal status and wake-up line
Door contact
EGS: Transmission control unit Driving position
AHM: Trailer module Identification of trailer towing
ACSM. Crash safety module Driver's seat occupancy (driver intends to exit)
Seat belt buckle contact (driver intends to exit)
RLS: Rain/rain/light sensor Road condition (wet)
FRM: Footwell module Activation, hazard warning flashers, door contact