LEMON Manuals: Even more car manuals for everyone
Home >> BMW >> 2016 >> i3 Base >> Repair and Diagnosis (Single Page) >> General Information >> OEM General Information >> Functional Description -- I3_I01 >> Head unit High >> System functions >> Functional networking

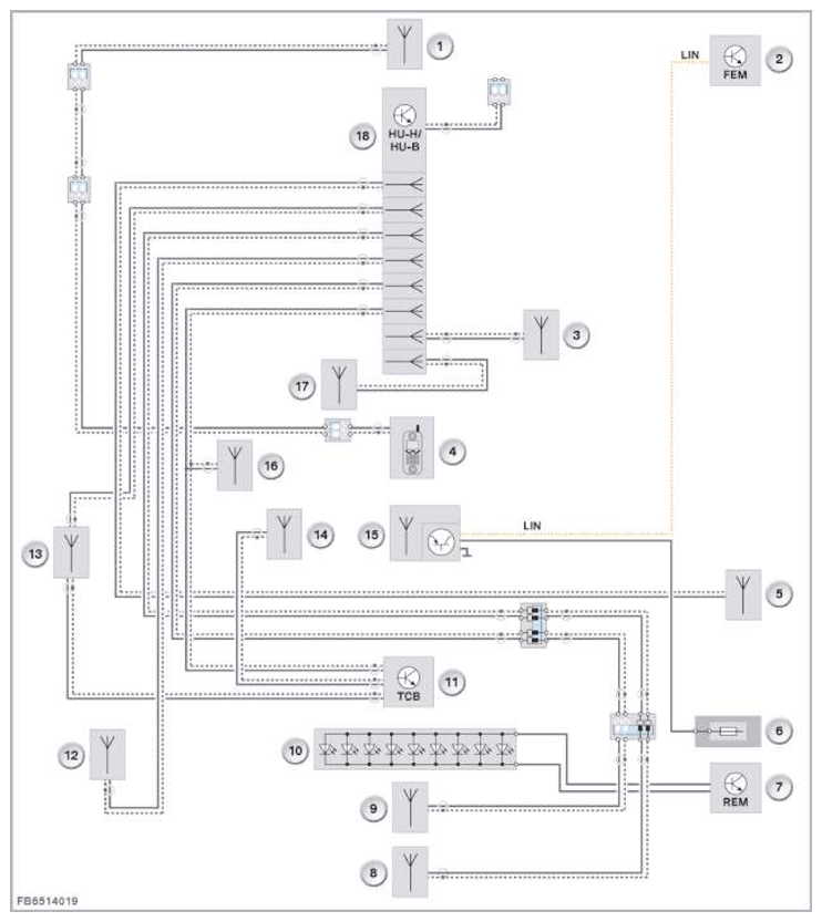
Functional networking

For the implementation of the Head unit High, a complex system network with distributed functions in further control units is necessary. The following illustration shows the functional networking using the example of the Telematics Professional and the aerials.

G09872626Courtesy of BMW OF NORTH AMERICA, INC.

Shown is the Telematics Professional as an example F01 as of 07/2012.

Item Explanation
1 Central gateway module (ZGM)
2 Dynamic stability control (DSC)
3 Car access system (CAS)
4 Crash Safety Module (ACSM)
5 Central information display
6 Junction Box Electronics (JBE)
7 Distribution box (junction box)
8 Roof function center (FZD)
9 WLAN aerial
10 Base plate
11 Microphone 2
12 Rear base plate, handset
13 Emergency GSM aerial
14 Telematic Communication Box (TCB)
15 Telephone aerial, bumper
16 Bluetooth aerial
17 Microphone
18 Steering column switch center (SZL)
19 Footwell module (FRM)
20 Instrument panel (KOMBI)
21 Head unit High (HU-H)
22 AUX-IN connection
23 Integrated automatic heating/air conditioning system (IHKA)
24 Roof aerial
25 Rear base plate, telephone
26 Integrated chassis management (ICM)
27 Controller (CON)
28 Emergency loudspeaker
G11149492Courtesy of BMW OF NORTH AMERICA, INC.

Shown are the aerials F23 sate as of 11/2014.

Item Explanation
1 Telephone aerial (not Japan)
2 Front Electronic Module (FEM)
3 Plug connection VICS (Japan)
4 Base plate (telephone aerial not Japan)
5 FM aerial 2
6 Power distribution box, right rear
7 Rear Electronic Module (REM)
8 Aerial DAB L (optional to 9)
9 SDARS aerial (optional to 8)
10 Additional brake light
11 Telematic Communication Box (TCB)
12 Aerial DAB band III
13 AM/FM aerial
14 Emergency GSM aerial (only for telematics)
15 Remote control receiver
16 GPS aerial
17 Bluetooth aerial