Functional networking
The following graphic shows the functional networking for the pedestrian protection system.
Vehicles with Front Electronic Module (FEM) or Body Domain Controller (BDC): The central gateway module (ZGM) is integrated as independent control unit in the Front Electronic Module (FEM) or Body Domain Controller (BDC). The Front Electronic Module (FEM) or the Body Domain Controller (BDC) ensure the functions from the former Car Access System (CAS) control unit.
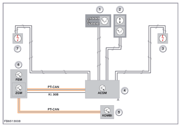
- The following graphic shows the pedestrian protection system with 3 pedestrian protection sensors (acceleration sensors) using the example of F01.
Courtesy of BMW OF NORTH AMERICA, INC.
| Item |
Explanation |
| 1 |
Rear left actuator for pedestrian protection |
| 2 |
Front left actuator for pedestrian protection |
| 3 |
Pedestrian protection sensor left (with acceleration sensor) |
| 4 |
Pedestrian protection sensor middle (with acceleration sensor) |
| 5 |
Pedestrian protection sensor right (with acceleration sensor) |
| 6 |
Front right actuator for pedestrian protection |
| 7 |
Rear right actuator for pedestrian protection |
| 8 |
Crash Safety Module (ACSM) |
| 9 |
Instrument panel (KOMBI) |
| 10 |
Car access system (CAS) |
| 11 |
Central gateway module (ZGM) |
- The following graphic shows the pedestrian protection system with one pedestrian protection sensor with optical fibre using the example of F01.
Courtesy of BMW OF NORTH AMERICA, INC.
| Item |
Explanation |
| 1 |
Rear left actuator for pedestrian protection |
| 2 |
Front left actuator for pedestrian protection |
| 3 |
Pedestrian protection sensor (with optical fibre) |
| 4 |
Front right actuator for pedestrian protection |
| 5 |
Rear right actuator for pedestrian protection |
| 6 |
Crash Safety Module (ACSM) |
| 7 |
Instrument panel (KOMBI) |
| 8 |
Car access system (CAS) |
| 9 |
Central gateway module (ZGM) |
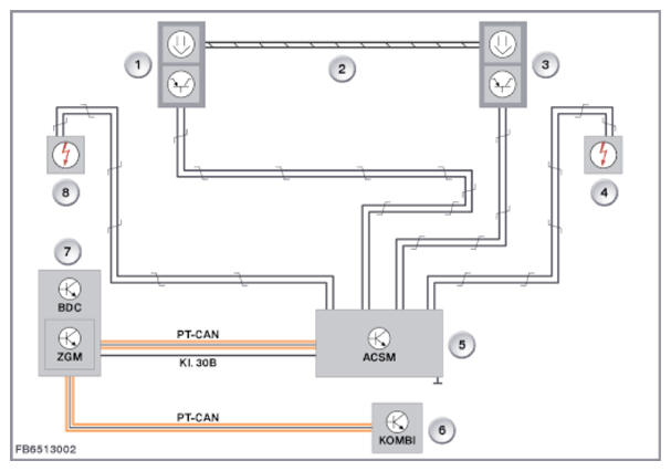
- The following graphic shows the pedestrian protection system with 2 pedestrian protection sensors (optical fibre and acceleration sensor) using the example of F01.
Courtesy of BMW OF NORTH AMERICA, INC.
| Item |
Explanation |
| 1 |
Rear left actuator for pedestrian protection |
| 2 |
Front left actuator for pedestrian protection |
| 3 |
Pedestrian protection sensor (with optical fibre) |
| 4 |
Pedestrian protection sensor (with acceleration sensor) |
| 5 |
Front right actuator for pedestrian protection |
| 6 |
Rear right actuator for pedestrian protection |
| 7 |
Crash Safety Module (ACSM) |
| 8 |
Instrument panel (KOMBI) |
| 9 |
Car access system (CAS) |
| 10 |
Central gateway module (ZGM) |
- The following graphic shows the pedestrian protection system with 2 pedestrian protection sensors (optical fibre and acceleration sensor) using the example of F33.
Courtesy of BMW OF NORTH AMERICA, INC.
| Item |
Explanation |
| 1 |
Pedestrian protection sensor (with optical fibre) |
| 2 |
Pedestrian protection sensor (with acceleration sensor) |
| 3 |
Rear right actuator for pedestrian protection |
| 4 |
Crash Safety Module (ACSM) |
| 5 |
Instrument panel (KOMBI) |
| 6 |
The central gateway module (ZGM) is integrated as independent control unit into the front electronic module (FEM) |
| 7 |
Rear left actuator for pedestrian protection |
- The following graphic shows the pedestrian protection system with 2 pedestrian protection sensors (pressure hose and pressure sensors) using the example of F15.
Courtesy of BMW OF NORTH AMERICA, INC.
| Item |
Explanation |
| 1 |
Pedestrian protection sensor, left (pressure sensor) |
| 2 |
Pressure hose |
| 3 |
Pedestrian protection sensor, right (pressure sensor) |
| 4 |
Rear right actuator for pedestrian protection |
| 5 |
Crash Safety Module (ACSM) |
| 6 |
Instrument panel (KOMBI) |
| 7 |
Central gateway module (ZGM), integrated as independent control unit in the Body Domain Controller (BDC) |
| 8 |
Rear left actuator for pedestrian protection |
- The following graphic shows the pedestrian protection system with 2 pedestrian protection sensors (pressure hose and pressure sensors) using the example of F56.
Courtesy of BMW OF NORTH AMERICA, INC.
| Item |
Explanation |
| 1 |
Pedestrian protection sensor, left (pressure sensor) |
| 2 |
Pressure hose |
| 3 |
Pedestrian protection sensor, right (pressure sensor) |
| 4 |
Front right actuator for pedestrian protection |
| 5 |
Rear right actuator for pedestrian protection |
| 6 |
Crash Safety Module (ACSM) |
| 7 |
Instrument panel (KOMBI) |
| 8 |
Central gateway module (ZGM), integrated as independent control unit in the Body Domain Controller (BDC) |
| 9 |
Rear left actuator for pedestrian protection |
| 10 |
Front left actuator for pedestrian protection |