LEMON Manuals: Even more car manuals for everyone
Home >> BMW >> 2014 >> i3 Base >> Repair and Diagnosis (Single Page) >> General Information >> OEM General Information >> Functional Description -- I3_I01 >> Wash/wipe system >> System functions >> Notes

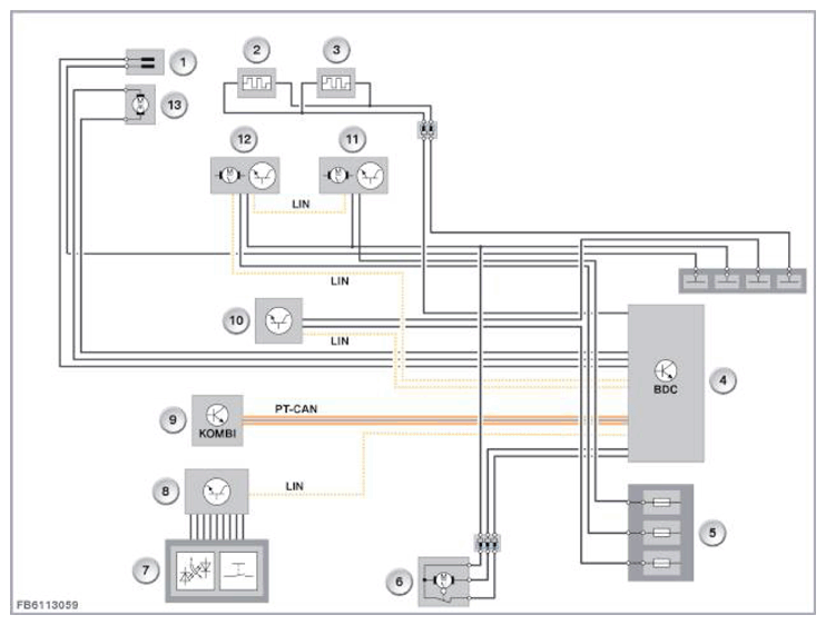
System functions: Notes

The following illustration shows the functional networking of the wash/wipe system for I01, I12.

G11149688Courtesy of BMW OF NORTH AMERICA, INC.
Item Explanation
1 Washer fluid level sensor
2 Washer jet heating, left
3 Washer jet heating, right
4 Body Domain Controller (BDC)
5 Power distribution box Life module
6 Rear wiper
7 Wash/wipe switch
8 Steering column switch cluster
9 Instrument panel (KOMBI)
10 Rain-light-solar-condensation sensor
11 Wiper module 2
12 Wiper module
13 Windscreen washer pump and rear washer pump

The following illustration shows the functional networking of the wash/wipe system for F4x, F5x.

G11149689Courtesy of BMW OF NORTH AMERICA, INC.
Item Explanation
1 Washer jet heating, left
2 Center washer jet heating (optional, depending on vehicle)
3 Washer jet heating, right
4 Washer fluid level sensor
5 Washer pump for headlight cleaning system (optional, depending on vehicle)
6 Dual window washer pump (optional, depending on vehicle)
7 Single window washer pump (optional, depending on vehicle)
8 Passenger's side power distribution box
9 Body Domain Controller (BDC)
10 Rear wiper, right split door (F54 only)
11 Rear wiper, left split door (F54 only)
12 Rear wiper
13 Steering column switch cluster
14 Instrument cluster
15 Rain-light-solar-condensation sensor
16 Windscreen wipers
5 Power distribution box Life module
6 Rear wiper
7 Wash/wipe switch
8 Steering column switch cluster
9 Instrument panel (KOMBI)
10 Rain-light-solar-condensation sensor
11 Wiper module 2
12 Wiper module
13 Windscreen washer pump and rear washer pump

The wash/wipe system includes the following functions:

The rear wiper (wiping and washing) is operated via a rotary switch. This means that the control functions for the windscreen wiper and the rear wiper are separated.

NOTE: For the purposes of clarity, the US version features its own symbol on the wash/wipe switch.

The rear window is wiped intermittently (intermittent period is programmable by the customer, see the vehicle owners handbook).

With reverse gear engaged, a switch is made from intermittent operation to continuous wiping.