LEMON Manuals: Even more car manuals for everyone
Home >> BMW >> 2014 >> i3 Base >> Repair and Diagnosis (Single Page) >> General Information >> OEM General Information >> Functional Description -- I3_I01 >> Traffic jam assistant >> System functions >> Functional networking

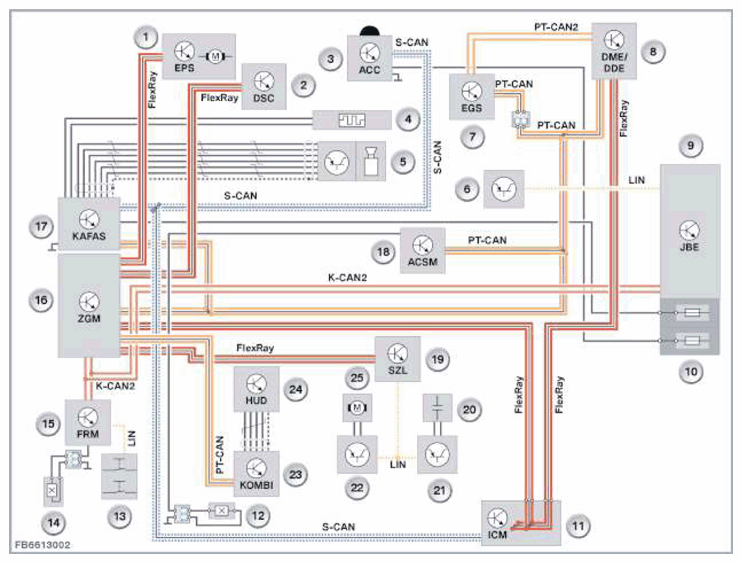
Functional networking

A complex system network with distributed functions in other control units is necessary for the implementation of the traffic jam assistant system.

The following illustration shows the functional networking of the traffic jam assistant system using the example F10.

G11149658Courtesy of BMW OF NORTH AMERICA, INC.
Item Explanation
1 Electromechanical Power Steering (EPS)
2 Dynamic stability control (DSC)
3 ACC control unit with ACC sensor
4 Camera-based driver support systems camera heating
5 Camera-based driver support systems camera
6 Rain-light-solar-condensation sensor
7 Electronic transmission control (EGS)
8 DME (Digital Engine Electronics) or DDE (Digital Diesel Electronics)
9 Junction Box Electronics (JBE)
10 Power distributor in junction box
11 Integrated chassis management (ICM)
12 Driver's seat belt buckle contact
13 Assist systems operating facility
14 Driver's door lock
15 Footwell module (FRM)
16 Central gateway module (ZGM)
17 Camera-based driver support systems (KAFAS)
18 Crash Safety Module (ACSM)
19 Steering column switch center (SZL)
20 Touch detection sensor
21 Electronics of touch detection
22 Electronic steering wheel module
23 Instrument panel (KOMBI)
24 Head-Up Display (HUD)
25 Vibration actuator

The following illustration shows the functional networking of the traffic jam assistant system using the example F15.

G11149659Courtesy of BMW OF NORTH AMERICA, INC.
Item Explanation
1 Electromechanical Power Steering (EPS)
2 ACC control unit with ACC sensor
3 Camera-based driver support systems camera heating
4 Camera-based driver support systems camera
5 Electronic transmission control (EGS)
6 DME (Digital Engine Electronics) or DDE (Digital Diesel Electronics)
7 Dynamic stability control (DSC)
8 Front fuse and relay module
9 Body Domain Controller (BDC), central gateway module (ZGM) integrated as independent control unit
10 Rain-light-solar-condensation sensor
11 Integrated chassis management (ICM)
12 Electronics of touch detection
13 Touch detection sensor
14 Steering column switch cluster
15 Electronic steering wheel module
16 Vibration actuator
17 Driver's seat belt buckle contact
18 Instrument panel (KOMBI)
19 Driver's door lock
20 Camera-based driver support systems (KAFAS)
21 Head-Up Display (HUD)
22 Crash Safety Module (ACSM)

The following illustration shows the functional networking of the traffic jam assistant system using the example F45.

G11149660Courtesy of BMW OF NORTH AMERICA, INC.
Item Explanation
1 DME (Digital Engine Electronics) or DDE (Digital Diesel Electronics)
2 Electromechanical Power Steering (EPS)
3 Camera-based driver support systems camera heating
4 Camera-based driver support systems camera
5 Dynamic stability control (DSC)
6 Front fuse and relay module
7 Body Domain Controller (BDC), central gateway module (ZGM) integrated as independent control unit
8 Power distribution box in the Body Domain Controller (BDC)
9 Camera-based driver support systems (KAFAS)
10 Optional equipment system (SAS)
11 Crash Safety Module (ACSM)
12 Head unit High (HU-H)
13 Controller (CON)
14 Driver's seat belt buckle contact
15 K-CAN4 star coupler
16 Driver's door lock
17 Vibration actuator
18 Electronic steering wheel module
19 Steering column switch cluster
20 Central information display
21 Hazard warning switch
22 Instrument panel (KOMBI)
23 Touch detection sensor
24 Electronics of touch detection