LEMON Manuals: Even more car manuals for everyone
Home >> BMW >> 2014 >> i3 Base >> Repair and Diagnosis (Single Page) >> General Information >> OEM General Information >> Functional Description -- I3_I01 >> Steering column switch cluster >> Brief component description >> Functional networking

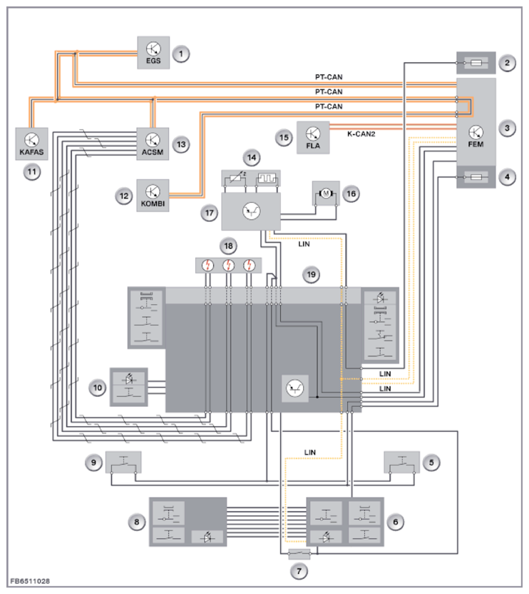
Functional networking

The steering column switch cluster is not a control unit.  The steering column switch cluster is connected to the junction box electronics (JBE), the front electronic module (FEM) or the Body Domain Controller (BDC) via LIN bus.

NOTE: Observe the wiring diagram in the diagnosis!

The fault entries for the steering column switch cluster are managed solely in the junction box electronics (JBE) or in the front electronic module (FEM) or in the Body Domain Controller (BDC).

After being recorded and processed, the data from the steering column switch cluster is relayed to the appropriate control units via the local interconnect network bus.

The following illustration shows the functional networking of the steering column switch cluster using the example of F25.

G09909438Courtesy of BMW OF NORTH AMERICA, INC.
Item Explanation
1 Electronic transmission control (EGS)
2 Junction Box Electronics (JBE)
3 Front fuse and relay module
4 Fanfare button
5 Switch cluster, multifunction steering wheel, right
6 Left-hand multifunction steering column switch cluster
7 Steering column switch cluster
8 Steering column lever, wiper switch
9 Button for steering wheel heating
10 Drop arm, turn signal/high beam switch with on-board computer button
11 Vibration actuator
12 Driver's airbag
13 Electronic steering wheel module
14 Steering wheel heating with temperature sensor
15 Camera-based driver support systems (KAFAS)
16 Central gateway module (ZGM)
17 Footwell module (FRM)
18 Instrument panel (KOMBI)
19 Crash Safety Module (ACSM)
20 Shift paddle, left
21 Shift paddle, right
22 High beam assistant (FLA)

The following illustration shows the functional networking of the steering column switch cluster using the example of F20.

G09909439Courtesy of BMW OF NORTH AMERICA, INC.
Item Explanation
1 Electronic transmission control (EGS)
2 Front fuse and relay module
3 Front Electronic Module (FEM)
4 Fuse on front electronic module (FEM)
5 Shift paddle, right
6 Switch cluster, multifunction steering wheel, right
7 Fanfare button
8 Left-hand multifunction steering column switch cluster
9 Shift paddle, left
10 Button for steering wheel heating
11 Camera-based driver support systems (KAFAS)
12 Instrument panel (KOMBI)
13 Crash Safety Module (ACSM)
14 Steering wheel heating with temperature sensor
15 High beam assistant (FLA)
16 Vibration actuator
17 Electronic steering wheel module
18 Driver's airbag
19 Steering column switch cluster

The following illustration shows the functional networking of the steering column switch cluster using the example of F15.

G09909440Courtesy of BMW OF NORTH AMERICA, INC.
Item Explanation
1 Electronic transmission control (EGS)
2 Front fuse and relay module
3 Body Domain Controller (BDC)
4 Fuse on the Body Domain Controller (BDC)
5 Shift paddle, right
6 Switch cluster, multifunction steering wheel, right
7 Fanfare button
8 Left-hand multifunction steering column switch cluster
9 Shift paddle, left
10 Switch for steering column adjustment and steering wheel heating
11 Camera-based driver support systems (KAFAS)
12 Crash Safety Module (ACSM)
13 Instrument panel (KOMBI)
14 Vibration actuator
15 Integrated chassis management (ICM)
16 Steering wheel heating with temperature sensor
17 High beam assistant (FLA)
18 Touch detection sensor
19 Electronics of touch detection
20 Steering column switch cluster
21 Electronic steering wheel module
22 Driver's airbag

The following illustration shows the functional networking of the steering column switch cluster using the example of G11.

G10151176Courtesy of BMW OF NORTH AMERICA, INC.
Item Explanation
1 Electronic transmission control (EGS)
2 CAN terminator
3 Body Domain Controller (BDC)
4 Fuse on the Body Domain Controller (BDC)
5 Front right power distribution box
6 Shift paddle, right
7 Switch cluster, multifunction steering wheel, right
8 Left-hand multifunction steering column switch cluster
9 Shift paddle, left
10 Crash Safety Module (ACSM)
11 Fanfare button
12 Switch for steering column adjustment and steering wheel heating
13 Steering column switch cluster
14 Driver's airbag
15 Vibration actuator
16 Steering wheel heating with temperature sensor
17 Electronic steering wheel module
18 Electronics of touch detection
19 Instrument panel (KOMBI)
20 Dynamic stability control (DSC)
21 Touch detection sensor
22 Camera-based driver support systems (KAFAS)
23 DME (Digital Engine Electronics) or DDE (Digital Diesel Electronics)