LEMON Manuals: Even more car manuals for everyone
Home >> BMW >> 2013 >> M3 2D Convertible, Standard Trans >> Repair and Diagnosis >> General Information >> OEM General Information >> Functional Description -- M3 Convertible >> Engine Performance - Functional Description >> SCR System (overall Tank System) >> SCR system: Overall fuel tank system (without SCR catalytic converter)

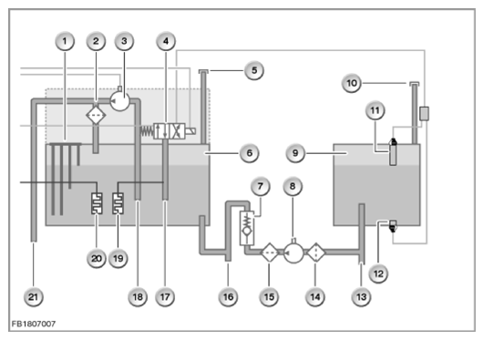
SCR system: Overall fuel tank system (without SCR catalytic converter)

Fig 1: SCR - System Diagram
G09841631Courtesy of BMW OF NORTH AMERICA, INC.