LEMON Manuals: Even more car manuals for everyone
Home >> BMW >> 2013 >> M3 2D Convertible, Standard Trans >> Repair and Diagnosis >> General Information >> OEM General Information >> Functional Description -- M3 Convertible >> Engine Performance - Functional Description >> SCR System (US diesel) >> Signal names and interface description

Signal names and interface description

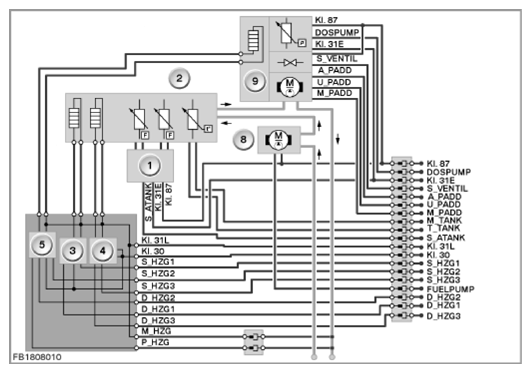
Although the components and system functions of the SCR system in BMW X5 and BMW 3-Series vehicle and vehicles derived from them are absolutely identical, integration of the SCR system is very different, due to the design envelope. The following two graphics show the schematic description of a BMW 3 Series vehicle where the entire fuel tank system is fitted below the luggage compartment in the vehicle rear area (see first illustrationFig 1) and of a BMW X5 vehicle in which the active and passive tank are installed in the front and middle half of the vehicle (see second illustrationFig 2). The components of the SCR system that can be assigned to the fuel tank system are shown. The other components of the SCR system related to the NOx sensing, SCR catalytic converter and mixture metering can be seen in the regular wiring diagrams. The electrical separation of the SCR system from the remaining wiring harness takes place by means of the multi-pin "SCR plug connector":

For BMW 3 Series vehicles, the following signal names apply:

Fig 1: SCR System - Circuit Diagram (BMW 3 Series Vehicles)
G09841629Courtesy of BMW OF NORTH AMERICA, INC.
Index Explanation
1 Evaluation circuit for active tank
2 Active tank. Heaters and sensor system
3 Heating output stage 1 in the heating module
4 Heating output stage 3 in the heating module
5 Heating output stage 2 in the heating module
6 Evaluation circuit for passive tank
7 Passive tank: Sensor system
8 Recirculating pump unit from passive tank to active tank
9 SCR delivery module in the active tank

For BMW X5 vehicles, the following signal names apply:

Fig 2: SCR System - Circuit Diagram (BMW X5 Vehicles)
G09841630Courtesy of BMW OF NORTH AMERICA, INC.