LEMON Manuals: Even more car manuals for everyone
Home >> BMW >> 2013 >> M3 2D Convertible, Standard Trans >> Repair and Diagnosis >> General Information >> OEM General Information >> Functional Description -- M3 Convertible >> Engine Performance - Functional Description >> SCR System (US diesel) >> SCR system overview (without passive tank)

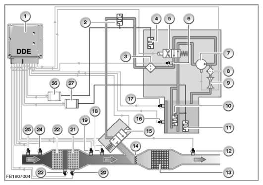
SCR system overview (without passive tank)

Fig 1: SCR - System Diagram
G09841628Courtesy of BMW OF NORTH AMERICA, INC.