LEMON Manuals: Even more car manuals for everyone
Home >> BMW >> 2013 >> M3 2D Convertible, Standard Trans >> Repair and Diagnosis >> General Information >> OEM General Information >> Functional Description -- M3 Convertible >> Body Electrical - Functional Description >> Distributed Function Of The Power Window Regulators

Distributed Function Of The Power Window Regulators

The power window regulator function is implemented by a number of control modules. The footwell module actuates the front power windows. The rear power windows, if fitted, are activated through the junction box electronics.

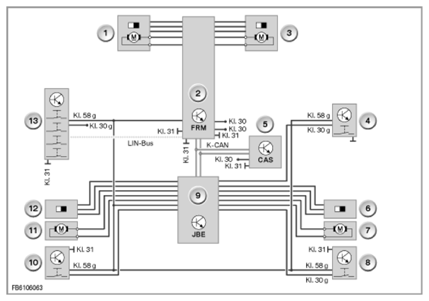
Fig 1: Power Window Regulators - Circuit Diagram
G09895195Courtesy of BMW OF NORTH AMERICA, INC.

The graphic shows the E70

Index Description
1 Power-window motor, driver's side at front
2 Footwell module (FRM)
3 Power windows motor, passenger's side at front
4 Power windows switch, passenger's side at front
5 Car Access System (CAS)
6 Hall sensor for power window, passenger's side at rear
7 Power windows motor, passenger's side at rear
8 Rear passenger's side power windows switch
9 Junction box with junction box electronics (JBE)
10 Rear driver's side power windows switch
11 Power windows motor, driver's side at rear
12 Hall sensor for power window, driver's side at rear
13 Switch block, driver's door

The control modules involved communicate via the data buses in the vehicle. The junction box supplies the control modules with voltage.

No liability can be accepted for printing or other faults. Subject to changes of a technical nature