LEMON Manuals: Even more car manuals for everyone
Home >> BMW >> 2013 >> M3 2D Convertible, Standard Trans >> Repair and Diagnosis >> General Information >> OEM General Information >> Functional Description -- M3 Convertible >> Anti-Theft System - Functional Description >> Electronic Immobilizer >> EWS control unit

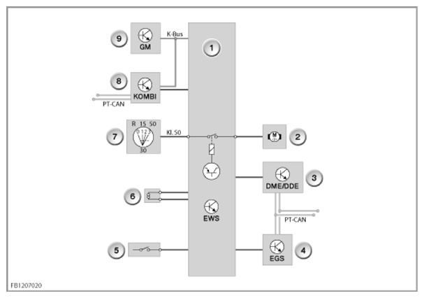
EWS control unit

> only E83

The electronic immobilizer control unit is a bus user on the body bus. The electronic immobilizer control unit is the interface to the ignition lock.

Fig 1: EWS Control Unit - Circuit Diagram
G09895206Courtesy of BMW OF NORTH AMERICA, INC.
Item Explanation
1 Electronic immobilizer (EWS)
2 Starter motor
3 Digital Engine Electronics (DME) or Digital Diesel Electronics (DDE)
4 Electronic transmission control (EGS)
5 Clutch switch for manual gearbox (depending on the national-market version)
6 Ring aerial (coil)
7 Ignition starter switch
8 Instrument panel (KOMBI)
9 Base module (BM)
Body bus Body bus
Terminal 50 Terminal 50
PT-CAN Drive train CAN