LEMON Manuals: Even more car manuals for everyone
Home >> BMW >> 2013 >> 650xi 2D Convertible >> Repair and Diagnosis >> General Information >> OEM General Information >> Functional Descriptions - 6-Series - Engine Performance Systems >> Engine Performance - Functional Description >> Exhaust emission system >> System overview

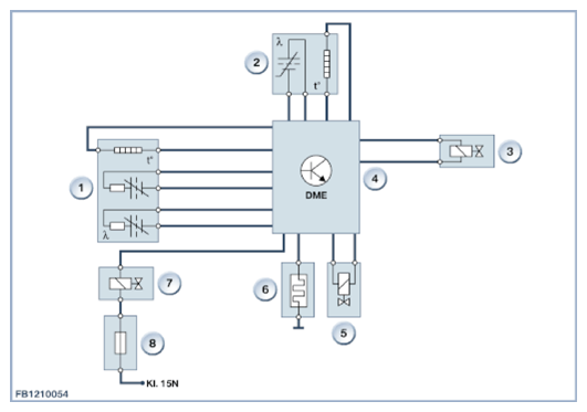
System overview

Fig 1: Oxygen Sensor Catalytic Converter - Circuit Diagram
G09841370Courtesy of BMW OF NORTH AMERICA, INC.
Index Explanation
1 Oxygen sensor before catalytic converter
2 Oxygen sensor after catalytic converter
3 Blow-off valve
4 Digital engine electronics
5 Pressure converter for wastegate valve
6 Engine ventilation heating
7 Electric changeover valve for exhaust flap (model-specific)
8 Luggage compartment power distribution box