LEMON Manuals: Even more car manuals for everyone
Home >> BMW >> 2011 >> 1M >> Repair and Diagnosis (Single Page) >> General Information >> OEM General Information >> Functional Description - 1-Series >> Restraints System - Functional Description >> Pedestrian protection >> System functions >> Functional networking

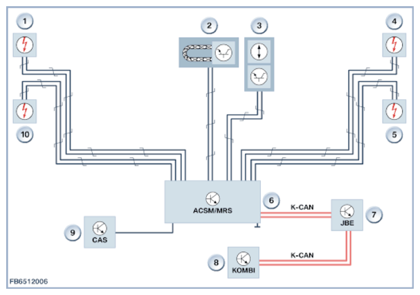
Functional networking

The following graphic shows the functional networking for the pedestrian protection system.

Fig 1: Pedestrian Protection System - Circuit Diagram
G09871972Courtesy of BMW OF NORTH AMERICA, INC.
Index Explanation
1 Actuator for pedestrian protection, front left (optional)
2 Pedestrian protection sensor (fiber-optic cable)
3 Pedestrian protection sensor (acceleration sensor)
4 Actuator for pedestrian protection, front right (optional)
5 Rear right actuator for pedestrian protection
6 Crash safety module (ACSM)/multiple restraint system (MRS)
7 Junction Box Electronics (JBE)
8 Instrument panel (KOMBI)
9 Car access system (CAS)
10 Rear left actuator for pedestrian protection
Body CAN Body CAN