LEMON Manuals: Even more car manuals for everyone
Home >> BMW >> 2007 >> M Coupe >> Repair and Diagnosis >> Restraints >> Restraints Control Systems >> Advanced Safety Electronics - Overview >> Advanced Safety Electronics (ASE) >> Principle of Operation >> Notes

Principle of Operation: Notes

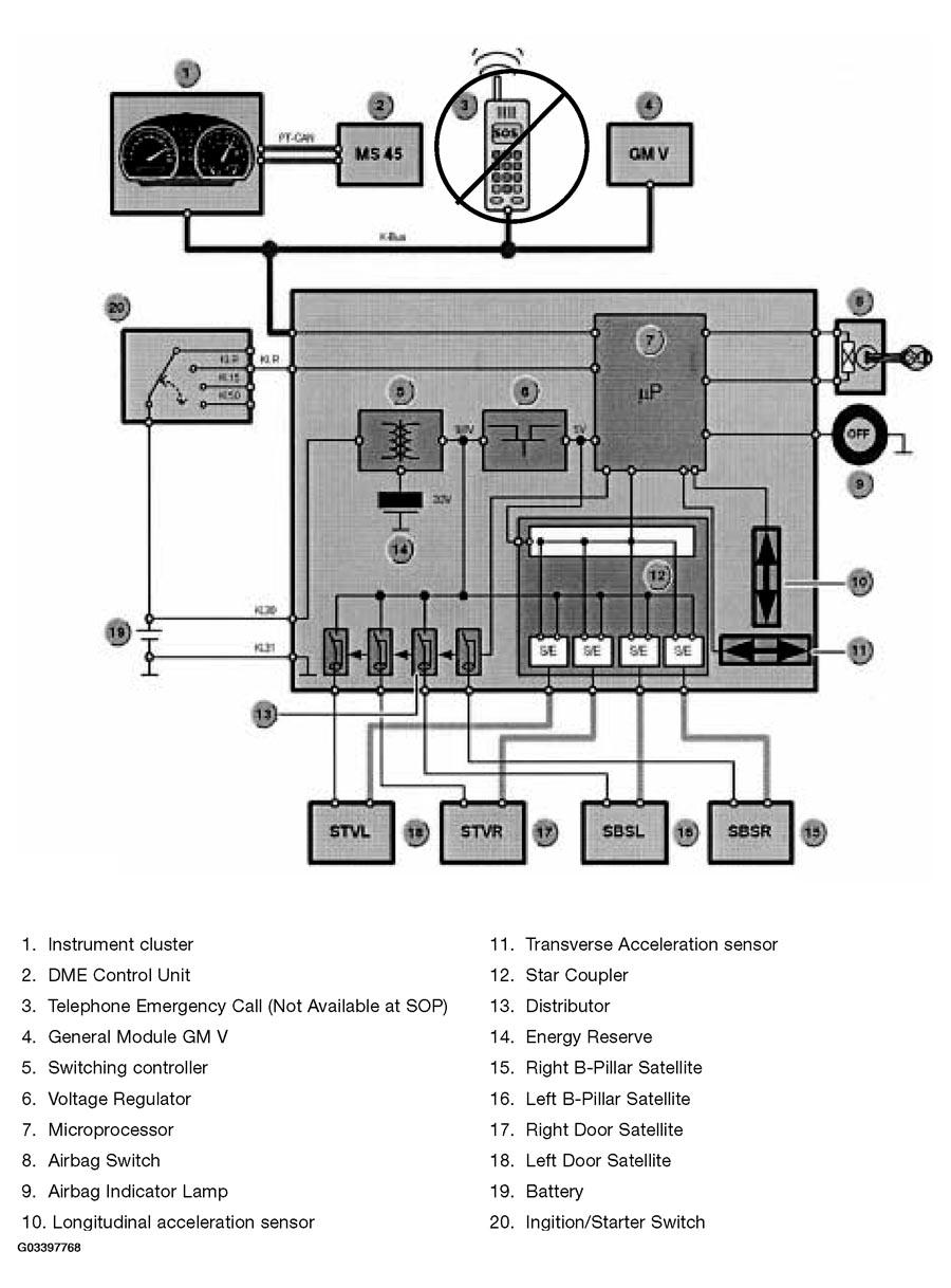
The SIM now has 4 transmit/receive modules to which the satellites are connected. The energy reserve in the SIM has been reduced to 33 V (ASE 400 V), as now only 4 satellites have to be supplied with voltage in the event of a crash.

New additions are the acceleration sensors for the X/Y direction.

The acceleration sensors for the X/Y direction measure the longitudinal and transversal acceleration of the vehicle and are evaluated in the SIM. The sensors continuously provide the values determined. The values are transferred across the byteflight to all satellites, as are the measured values of the satellites. The algorithms in the satellites work with these measured values. The SIM compares the values and triggers the alarm mode via synchronization pulses if the severity is sufficient.

The alarm mode places the satellites in a triggerable state. Depending on the crash severity and the stored trigger algorithms, the actuators required in each case are activated.

NOTE: If an airbag switch is fitted and the switch is in the position "deactivated," the front airbag on the passenger side and the side airbag are not placed in the triggerable state. The knee airbag and the seat belt tensioner are also not place in the triggerable state.

The vehicle center satellite has been eliminated, as the SIM is fitted in the middle of car and the acceleration sensors are integrated in the SIM.

Fig 1: Identifying Airbag System Flow Chart
G03397768Courtesy of BMW OF NORTH AMERICA, INC.