LEMON Manuals: Even more car manuals for everyone
Home >> BMW >> 2003 >> Z8 Base >> Repair and Diagnosis (Single Page) >> Accessories & Equipment >> Communication Devices >> Bus System Troubleshooting - Overview >> Bus System Troubleshooting >> Controller Area Network (CAN Bus) >> Troubleshooting the CAN Bus

Troubleshooting the CAN Bus

The failure of communication on the CAN bus can be caused by several sources:

Failure of the CAN bus cables: 

The following faults can occur to the CAN bus wiring:

The voltage of the CAN bus is divided between the two data lines: CAN-High and CAN-Low for an average of 2.5V per line. The voltage measurement is taken from each data line to ground. CAN does not utilize a Master Controller, each module on the CAN provides operating voltage.

The fact that 2.5V are present does not mean that the CAN bus is fault free, it just means that the voltage level is available to support communication.

Fig 1: View Of BMW Test System Multimeter Display
G03402851Courtesy of BMW OF NORTH AMERICA, INC.

Terminal resistors:  are used in the CAN bus circuit to establish the correct impedance to ensure fault free communication. A 120 Ohm resistor is installed in two  control units of the CAN between CAN-H and CAN-L. Because the CAN is a parallel circuit, the effective resistance of the complete circuit is 60 Ohms. On some vehicles there is a jumper wire that connects the two parallel branches together, others have an internal connection at the instrument cluster.

The resistance is measured by connecting the appropriate adapter to any of the modules on the CAN and measuring the resistance between CAN-L and CAN-H. The resistance should be 60 Ohms. The CAN bus is very stable and can continue to communicate if the resistance on the CAN bus is not completely correct; however, sporadic communication faults will occur.

The terminal resistors are located in the ASC/DSC control unit and either the instrument cluster or in the DME.

Early 750iL vehicles that used the star connector have a separate external resistor which connect CAN-H and CAN-L together.

Modules which do not have the terminal resistor can be checked by disconnecting the module and checking the resistance directly between the pins for CAN-H and CAN-L. The value at these control units should be between 10kOhms and 50kOhms.

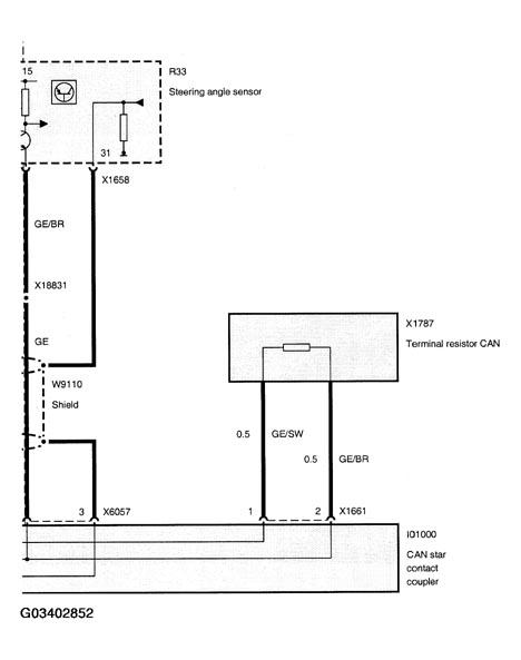
Fig 2: Identifying Terminal Resistors Diagram
G03402852Courtesy of BMW OF NORTH AMERICA, INC.

If there are CAN communication faults that use the term "Timeout"  this refers to a module not being able to communicate with another on the bus. Each module on the CAN bus will attempt communication several times. If unsuccessful, the module will store a "Timeout" or "CAN bus" fault and determine that there is a problem with either the bus line or the module that it is trying to communicate with.

These types of faults may indicate a problem with the bus wiring, interference, missing data or failure of the communication module of an individual control unit.

Checking the CAN lines is carried out just like any other wiring. Perform continuity tests between the connections of different modules (all modules disconnected) without forgetting to make sure that the two CAN lines have not shorted to ground or to each other. It is recommended to use the "Wire Test" in "Preset Measurements" which is more sensitive than just a resistance check. 

If Voltage level and the wire test are O.K, then looking at the communication signal may be useful.

The following are some examples of scope patterns that may be observed when checking the CAN bus.

Fig 3: View Of Correctly Operating CAN Bus Scope Pattern
G03402853Courtesy of BMW OF NORTH AMERICA, INC.

Example of correctly operating CAN bus. 

Correct communication on the CAN bus occurs in sporadic bursts with short periods of steady voltage.

Examples of Defective CAN bus signals: 

Fig 4: View Of Rapid Constant Fixed Duty Cycle Scope Pattern
G03402854Courtesy of BMW OF NORTH AMERICA, INC.

Rapid Constant fixed duty cycle for 10 seconds. 

This example represents the output signal produced by an AGS module that is isolated from the bus. This pattern times out after 10 seconds and remains a flat line at 2.5 volts until the key is cycled and the event is repeated.

Fig 5: View Of Flat Line At 2.5 Volts Scope Pattern
G03402856Courtesy of BMW OF NORTH AMERICA, INC.

Flat line at 2.5 volts. 

If a continuous flat line is present at one or both CAN lines of a particular control unit, this may indicate that the CAN is open to that particular module. The module may have timed out and is waiting for a signal from another control unit. Check the CAN bus at other points to see if communication is occurring else where on the bus.

Fig 6: Identifying Constant Fixed Duty Scope Pattern
G03402855Courtesy of BMW OF NORTH AMERICA, INC.

Constant fixed duty no time limit. 

All of the other control units with the exception of most current AGS modules will continue to try and send information even though the control unit has already stored a "Timeout" or CAN fault. This type of signal may only be seen if a section or all of the CAN bus is disconnected.

Fig 7: View Of CAN High Shorted To CAN Low Scope Pattern
G03402857Courtesy of BMW OF NORTH AMERICA, INC.

CAN High shorted to CAN Low. 

If the CAN bus lines were to become shorted to one another then the signals would cancel each other out and effectively be a flat line.

Failure of one of the control units attached to the CAN. 

Each control unit connected to the CAN has an integrated communication module that makes it possible for that control unit to exchange information on the CAN. Failure of a control unit normally triggers a fault code in the other control units connected to the bus.

There are instances where failure of a module may paralyze or take down the entire CAN bus. This scenario would be evident by CAN faults stored in every control unit on the bus.

In order to isolate the defective control unit, the control units can be disconnected one at a time while monitoring the status of the CAN using a Voltmeter or oscilloscope. This can be further reinforced by clearing the faults of the remaining control units and then reading them again. If the disconnected control module is the defective one, the faults will only point to communication with that interrupted module and no one else. 

As a quick check on vehicles produced after 9/97 (3/98 for the E39 528i) that have the CAN connection to the Instrument cluster, the indicators provide visual indication of whether communication is restored.

If for example the tachometer and temperature display are plausible then communication is occurring between the DME and IKE/KOMBI. Other indicators such as transmission range or the DSC light may give clues to the communication status with those control units.

Once the module has been replaced and coded or programmed, perform the CAN bus Test Module in each control unit to ensure that communication is OK.

Fig 8: View Of E38/E39 Style Diagnosis Test Module
G03402858Courtesy of BMW OF NORTH AMERICA, INC.
Fig 9: View Of E46 Style Diagnosis Test Module
G03402859Courtesy of BMW OF NORTH AMERICA, INC.

Failure of the voltage supply to individual modules. 

A slowly dropping battery voltage or a vehicle with discharged battery can lead to sporadic communication faults in various control units on the bus. The reason is that not all control units will switch off communication at the same voltage level leaving some modules still trying to communicate. Always verify a properly charged battery and charging system before beginning troubleshooting on the CAN.

Interference in the CAN bus cables. 

Interference will have a similar effect to shorting or disturbing the CAN bus wiring. Excessive interference created by a defective alternator or aftermarket devices such as cell phones or amplifiers may induce a voltage into the CAN bus line and disrupt communication. This type of interruption may be intermittent and faults may only be stored in some modules and not in others. These faults are often difficult to reproduce. Begin by eliminating any problems with the CAN bus wiring itself and verify that the generator is operating fault free. Isolate any aftermarket wiring in the vehicle and see if the fault returns.

Programming: 

During programming it should be noted that the module being programmed will not be communicating and therefore the other control units on the bus will store faults. These faults stored during programming should be deleted and then the fault memory should be read again to verify that they do not return. An incorrectly programmed module results in CAN faults that are not able to be cleared. Remember to always verify the correct Programmed Part Number after programming.