LEMON Manuals: Even more car manuals for everyone
Home >> BMW >> 1995 >> 318is Standard >> Repair and Diagnosis >> Engine Performance >> System >> Engine Electronics >> 1995 1.8L M1.7.2 >> Performance Controls >> Notes

Performance Controls: Notes

Fig 1: Performance Controls Unit
G03394078

Engine Speed Signal (TD):  is produced by the ECM as an output function. The TD signal is a processed square wave signal that indicates engine RPM. The signal is made available to other control modules including the Instrument Cluster, EWS and the 20 pin Diagnostic Socket.

The TD output is a square wave modulated signal. The frequency of the signal is directly proportional to RPM. The receiving control module detects RPM by the number of pulses.

Load Signal (Ti):  is produced by the ECM as an output function that represents the actual amount of fuel injected. It is made available to other control modules as an input for operation. These control modules include:

The Ti output is a processed square wave signal. The frequency of the signal is proportional to engine RPM. The pulse width and duty cycle will vary to reflect the injection quantity.

Fig 2: Identifying Engine Speed Signal (TD)
G03394079

Engine Speed (TR) for EGS:  is an additional variation of the engine speed signal. The "TR" signal is produced ECM as an additional output function. Like TD, "TR" is a processed signal that indicates engine RPM for the EGS (if equipped) to determine shift points.

The TR signal is a pulse wave signal. The frequency of the signal directly proportional to RPM. The signal is overlapped on the fuel pump relay control signal from the ECM.

Fig 3: Identifying Engine Speed (TR) For EGS
G03394080

Throttle Position (DKV) for EGS:  is the output signal to the EGS Control Module (if equipped). The DKV signal is a pulse width modulated signal directly proportional to the linear throttle position sensor input signal.

This output signal is used by the EGS Control Module for determining shift points.

Fig 4: Identifying Throttle Position (DKV) For EGS
G03394081

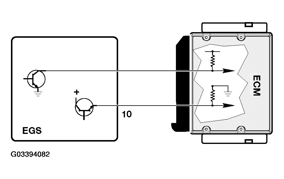
EGS Ignition Timing Intervention Signal:  The ECM receives an input signal from the EGS Control Module (if equipped) that will retard the ignition timing. This is a momentary ground signal from the EGS during a gear change to reduce engine torque for smoother shifts.

The EGS releases the ground so the ECM will resume ignition timing advance at the completion of the "shift".

Fig 5: Identifying EGS Ignition Timing Intervention Signal
G03394082

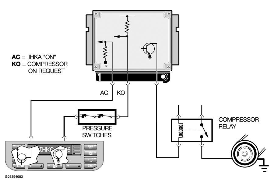
A/C Compressor Control:  is an output of the ECM. The ECM controls the A/C Compressor Relay based on signals from the IHKA/IHKR Control Modules.

When the driver selects the "snow flake" button, the IHKA/IHKR Control Module signals the ECM (AC) which "arms" it for compressor activation.

The ECM prepares for the additional load of the compressor by modifying the ignition timing and stabilizing idle speed.

When A/C compressor activation is required the IHKA/IHKS signals the ECM through the high/low refrigerant pressure switches (KO). The ECM will provide a ground circuit for the A/C Compressor Relay.

The A/C Compressor Relay is deactivated during wide open throttle acceleration at low speeds to allow the engine to quickly achieve maximum power.

Fig 6: Identifying A/C Compressor Control Circuit
G03394083

Driveaway Protection System Interface EWS I (1-94 thru 12-94 production):  was added to all vehicles in January 1994. It is controlled by the Central Locking System of ZKE and by the On-Board Computer code function (if equipped).

The Starter Immobilization Relay is activated when:

An activated relay performs two functions to deter vehicle theft:

Fig 7: Identifying Driveaway Protection System Interface EWS I
G03394084

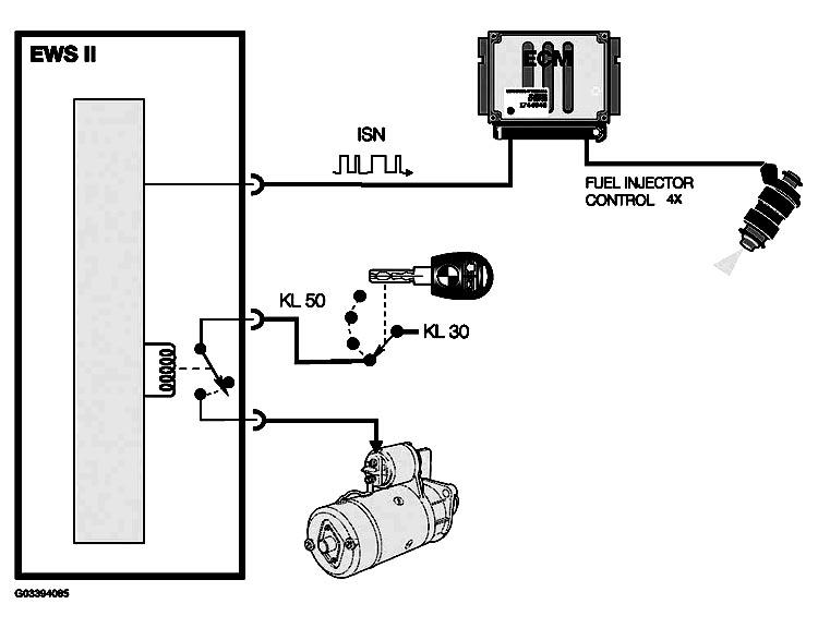
Driveaway Protection System Interface EWS II (from 1-95 production):  and ECM Control Modules are synchronized through an individual serial number  (ISN). The ISN is a unique code number that is permanently assigned to the ECM and also stored in the EWS II Control Module. The ISN must match every time the ignition is switched "ON", before the ECM drive away protection feature will be cancelled.

Fig 8: Identifying Driveaway Protection System Interface EWS II
G03394085