LEMON Manuals: Even more car manuals for everyone
Home >> BMW >> 1987 >> 535is Standard >> Repair and Diagnosis (Single Page) >> Engine Performance >> System >> Fuel Injection System - MOTRONIC CEC >> Testing >> Test 3: MOTRONIC Control Unit

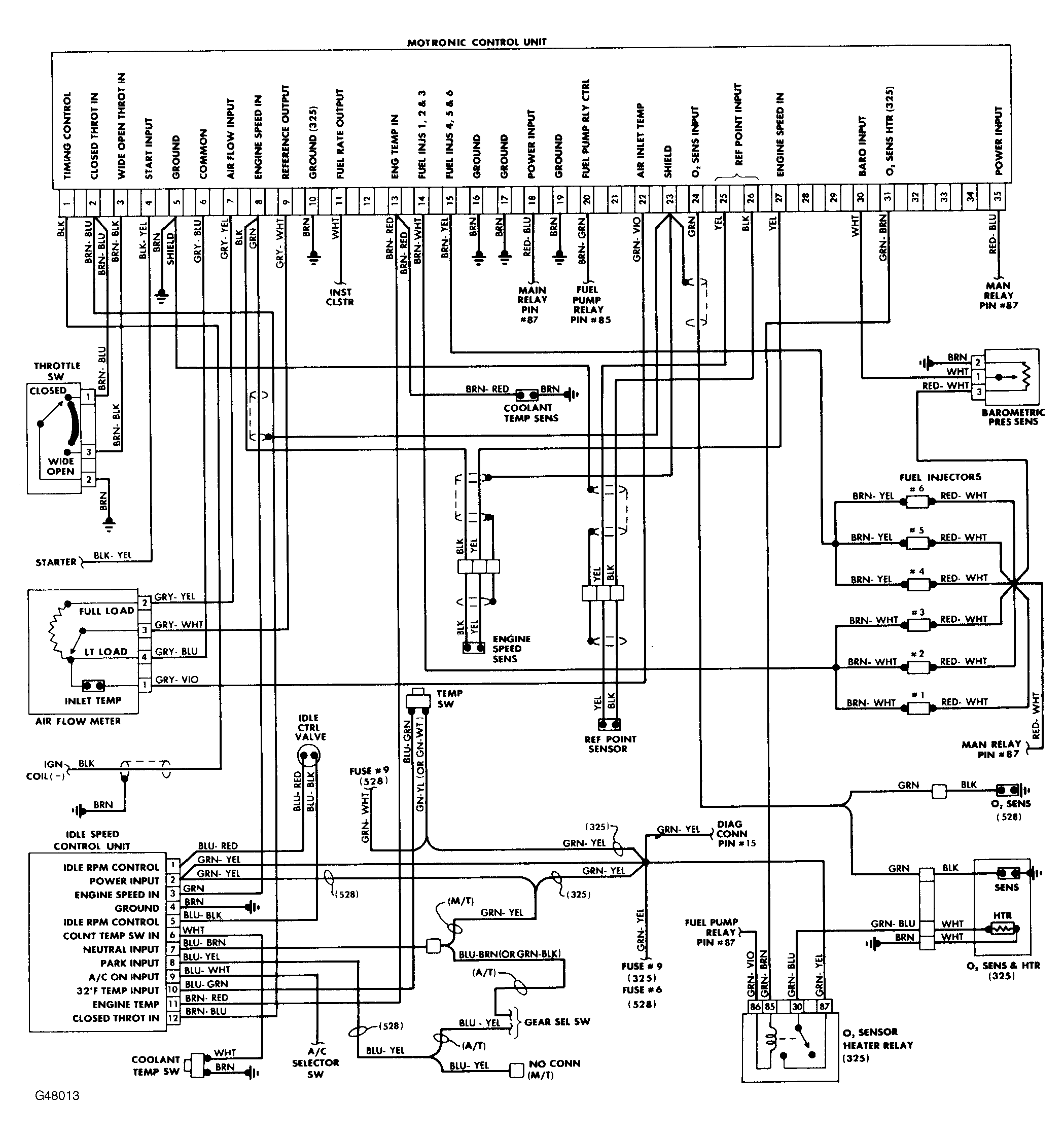
Test 3: MOTRONIC Control Unit

  1. Check power supply to Motronic Control Unit (MCU). Connect BMW service test unit and perform L-Jetronic test 1). If values are correct, replace MCU.
  2. If voltage value between wire No. 18/35 and 5, or 4 and 5 is insufficient or incorrect, connect volt/ohmmeter between wire No. 4 on disconnected MCU plug and ground. Start engine. If volt/ohmmeter does not show battery voltage, trace circuit and repair wiring. See Figure . and Figure .
  3. Check wires No. 18 and 35 for breaks or poor connections. Connect volt/ohmmeter between wire No. 5 on MCU plug and ground. Resistance should be zero. Connect volt/ohmmeter between wires No. 18 or 35 on MCU plug, and wire No. 87 on plug of relay No. 2. Resistance should be zero. If either test shows resistance, repair wiring.
  4. If resistance values are correct, check power supply to relay No. 2. Disconnect relay No. 1 and connect volt/ohmmeter between terminal No. 86 on relay socket and ground. Turn ignition on. Voltmeter should read battery voltage. If not, trace circuit and repair wiring. See Figure . and Figure .
  5. If voltage is correct, check ground of relay No. 2. Pull off relay and check resistance between connector No. 85 and ground. Resistance should be zero. If not, trace circuit and repair wiring. See Figure and Figure .
  6. If resistance is correct, check power supply of relay No. 2. Pull off relay and connect volt/ohmmeter between connector No. 30 of relay socket and ground. Voltmeter should read battery voltage. If not, trace circuit and repair wiring. If voltage reading is correct, replace relay 2.