LEMON Manuals: Even more car manuals for everyone
Home >> BMW >> 1985 >> 635CSi Standard >> Repair and Diagnosis >> Engine Performance >> System >> MOTRONIC CEC System >> Testing >> Test 3: MOTRONIC Control Unit

Test 3: MOTRONIC Control Unit

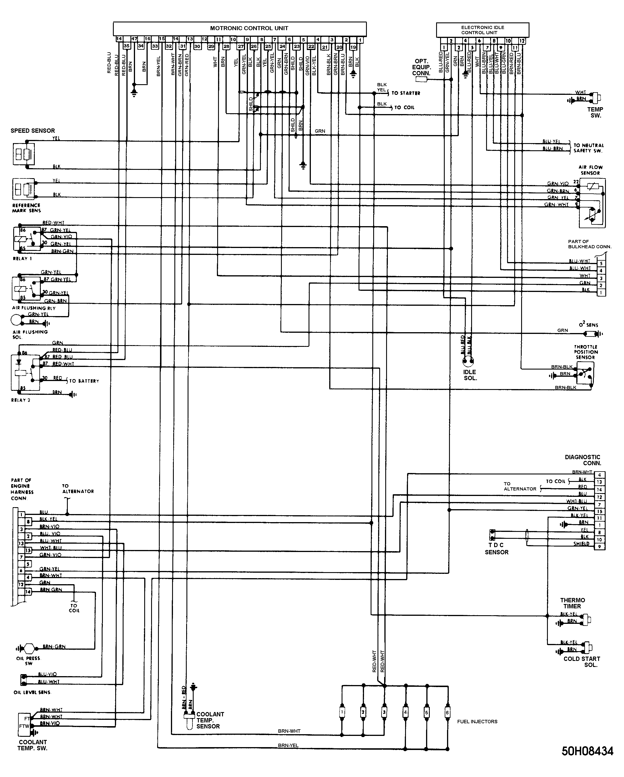
  1. Check power supply to Motronic Control Unit (MCU): Connect BMW Service Test unit and perform L-Jetronic Test step 1). Refer to BMW TEST KIT, L-JETRONIC PROCEDURES BROCHURE, Test step 1). See DESCRIPTION  . If values are correct, replace MCU.
  2. If voltage value between wire 18/35 and 5, or 4 and 5 is insufficient or incorrect, connect voltmeter between wire 4 on disconnected MCU plug and ground. Start engine. If the voltmeter does not show battery voltage, trace the circuit and repair the wiring. See Figure and Figure .
  3. Check wire 18 and 35 for breaks or poor connections. Connect ohmmeter between wire 5 on MCU plug and ground. Resistance should be zero. Connect ohmmeter between wire 18 or 35 on MCU plug, and wire 87 on plug of Relay 2. Resistance should be zero. If either test shows resistance, repair wiring.
  4. If resistance values are correct, check power supply to Relay 2: Disconnect Relay 1 and connect voltmeter between terminal 86 on relay socket and ground. Turn ignition on. Voltmeter should read battery voltage. If not, trace the circuit and repair the wiring. See Figure and Figure .
  5. If voltage is correct, check ground of Relay 2: Pull off relay and check resistance between connector 85 and ground. Resistance should be zero. If not, trace the circuit and repair the wiring. See Figure and Figure .
  6. If resistance is correct, check power supply of Relay 2: Pull off relay and connect voltmeter between connector 30 of relay socket and ground. Voltmeter should read battery voltage. If not, trace circuit and repair wiring. If voltage reading is correct, replace Relay 2.
Fig 1: BMW Motronic CEC System Wiring Diagram
G50H08434