LEMON Manuals: Even more car manuals for everyone
Home >> Audi >> 2017 >> S5 2D Convertible >> Repair and Diagnosis >> External Pages >> Different car >> Section 443 (Navigation System (Diagnostics - Introduction)) >> Navigation System >> System Diagram [08/2013 - ] >> System Diagram [08/2013 - ]

System Diagram [08/2013 - ]

WARNING: This page is about a different car, the 2014 Lexus ES 300h. However, it is still accessible from the selected car via links, so may be relevant.
Fig 1: Identifying Navigation System Wiring Diagram (1 Of 6)
GTY414317Courtesy of © TOYOTA, LICENSE AGREEMENT TMS1002
Fig 2: Identifying Navigation System Wiring Diagram (2 Of 6)
GTY466366Courtesy of © TOYOTA, LICENSE AGREEMENT TMS1002
Fig 3: Identifying Navigation System Wiring Diagram (3 Of 6)
GTY402050Courtesy of © TOYOTA, LICENSE AGREEMENT TMS1002
Fig 4: Identifying Navigation System Wiring Diagram (4 Of 6)
GTY395554Courtesy of © TOYOTA, LICENSE AGREEMENT TMS1002
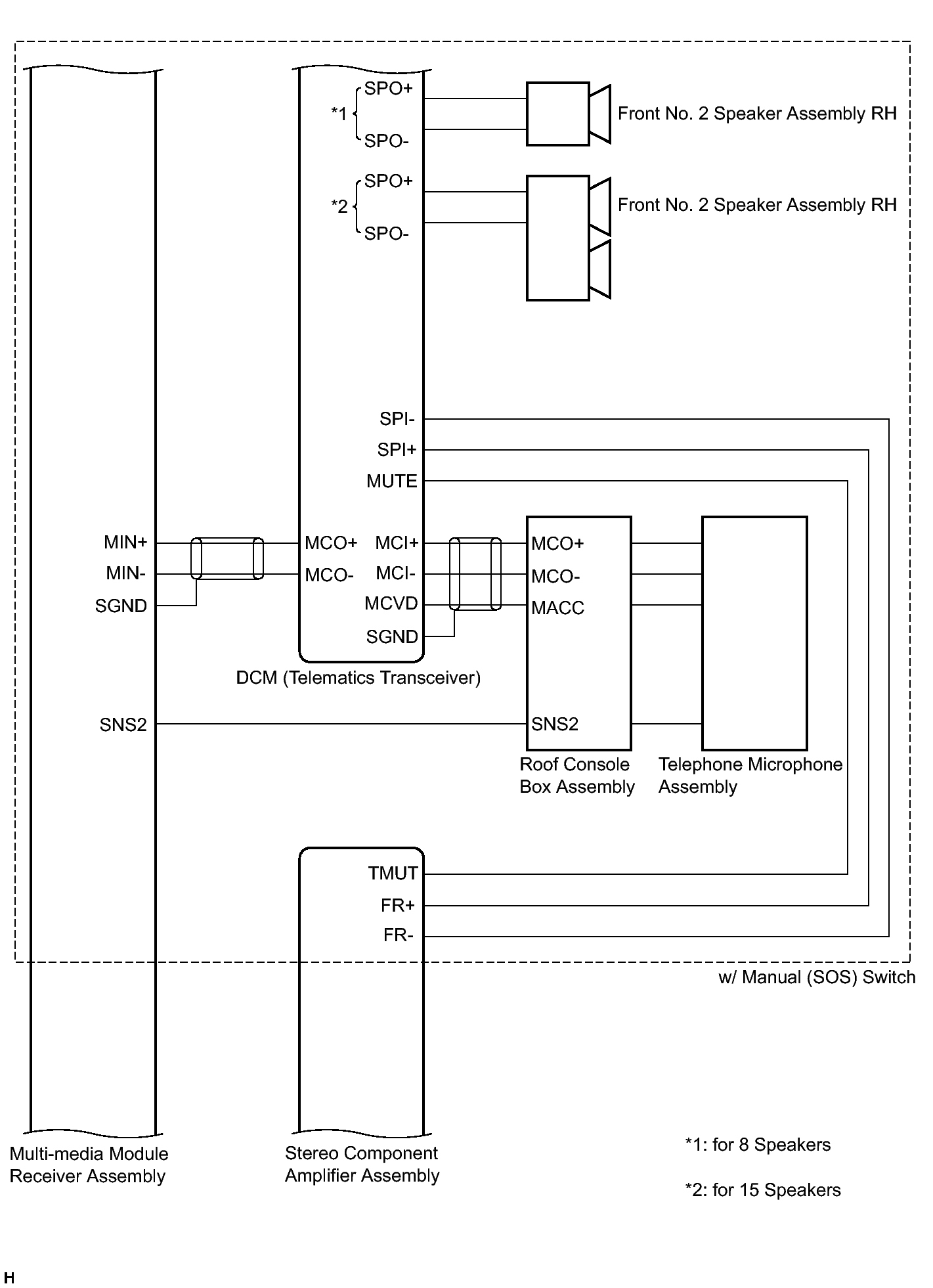
Fig 5: Identifying Navigation System Wiring Diagram (5 Of 6)
GTY399018Courtesy of © TOYOTA, LICENSE AGREEMENT TMS1002
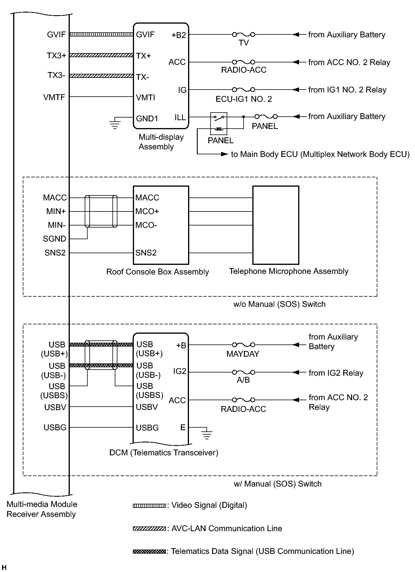
Fig 6: Identifying Navigation System Wiring Diagram (6 Of 6)
GTY412538Courtesy of © TOYOTA, LICENSE AGREEMENT TMS1002