LEMON Manuals: Even more car manuals for everyone
Home >> Audi >> 2014 >> RS 5 Base >> Repair and Diagnosis (Single Page) >> Quick Lookups >> Wiring Diagrams >> Wiring Diagram [CFSA] (2 Of 2) (Coupe) >> Wiring Diagram >> MOTRONIC Engine Control Module Power Supply Relay, Engine Control Module, Engine Component Power Supply Relay >> Notes

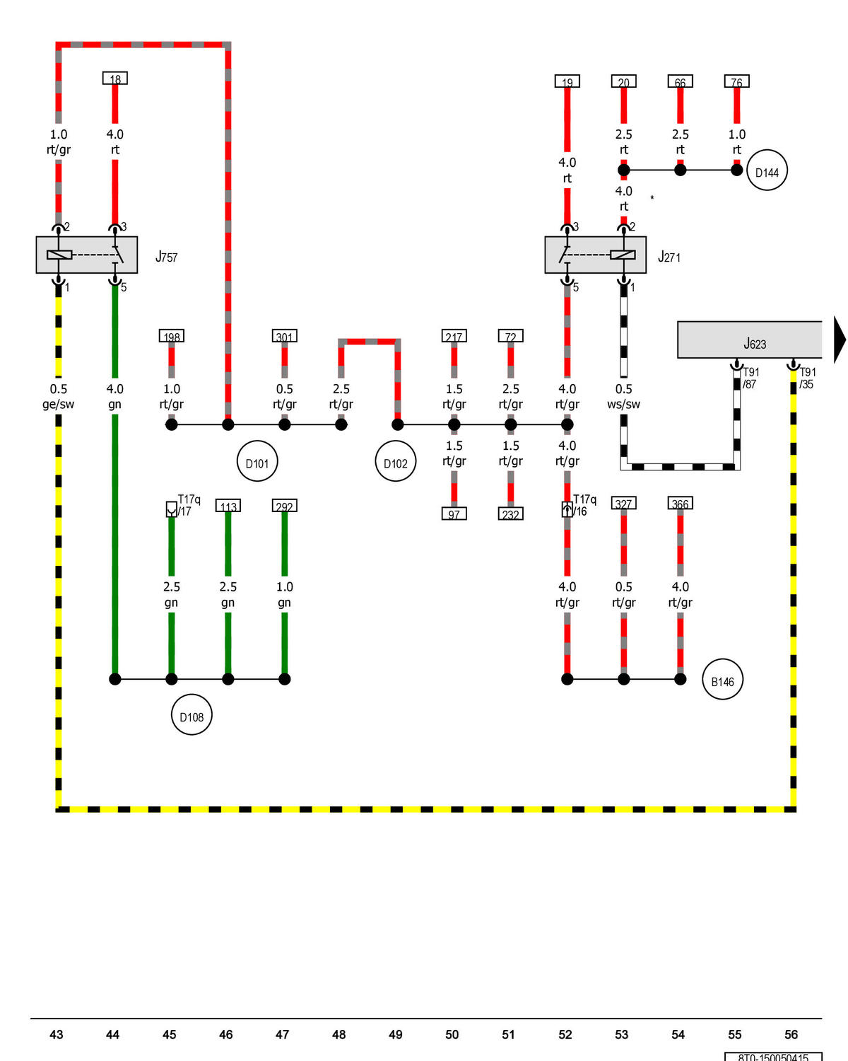
MOTRONIC Engine Control Module Power Supply Relay, Engine Control Module, Engine Component Power Supply Relay: Notes

GWW8T0-150050415Courtesy of AUDI OF AMERICA, LLC