LEMON Manuals: Even more car manuals for everyone
Home >> Audi >> 2014 >> RS 5 Base >> Repair and Diagnosis (Single Page) >> Electrical >> Wiring Diagrams >> Wiring Diagram [CFSA] (2 Of 2) (Coupe) >> Wiring Diagram >> Camshaft Position Sensor, Knock Sensor 4, Throttle Valve Control Module 2, Engine Control Module >> Notes

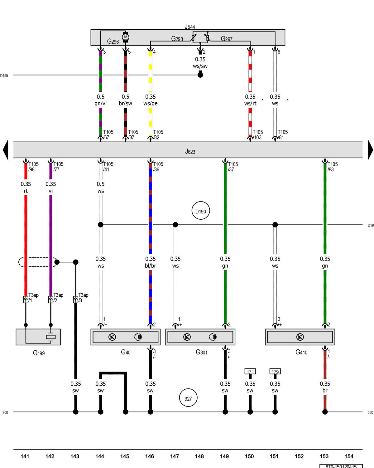
Camshaft Position Sensor, Knock Sensor 4, Throttle Valve Control Module 2, Engine Control Module: Notes

GWW8T0-150120415Courtesy of AUDI OF AMERICA, LLC