LEMON Manuals: Even more car manuals for everyone
Home >> Audi >> 2009 >> S5 Automatic >> Repair and Diagnosis >> External Pages >> Different car >> Section 343 (Front Power Seat Control System (W/ Memory) (Diagnostics - Introduction)) >> Front Power Seat Control System (W/ Memory) >> System Diagram [08/2013 - ] >> System Diagram [08/2013 - ]

System Diagram [08/2013 - ]

WARNING: This page is about a different car, the 2014 Lexus ES 300h. However, it is still accessible from the selected car via links, so may be relevant.
  1. FOR DRIVER 
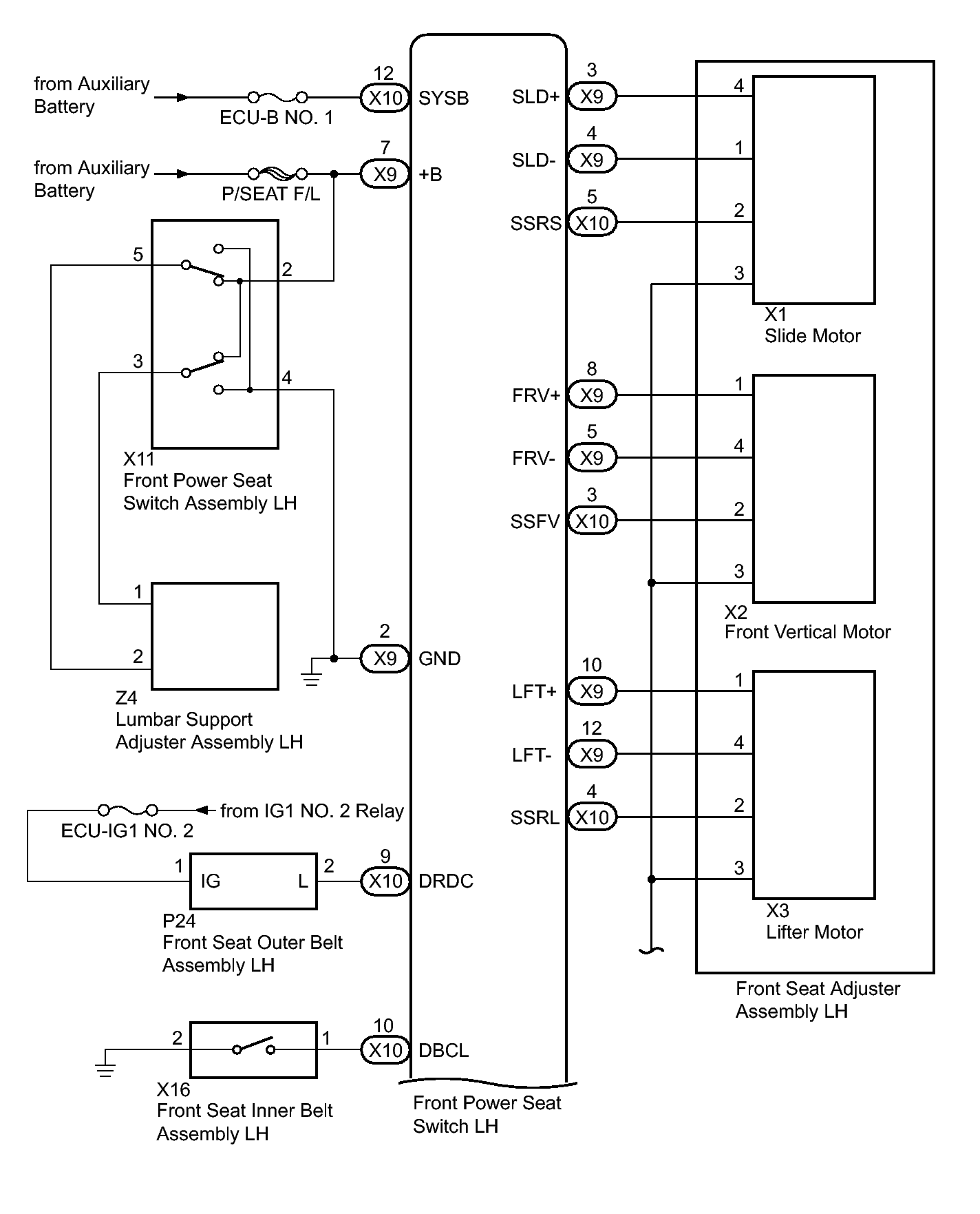
    Fig 1: Front Power Seat Control System Wiring Diagram (For Driver) (1 Of 3)
    GTY457992Courtesy of © TOYOTA, LICENSE AGREEMENT TMS1002
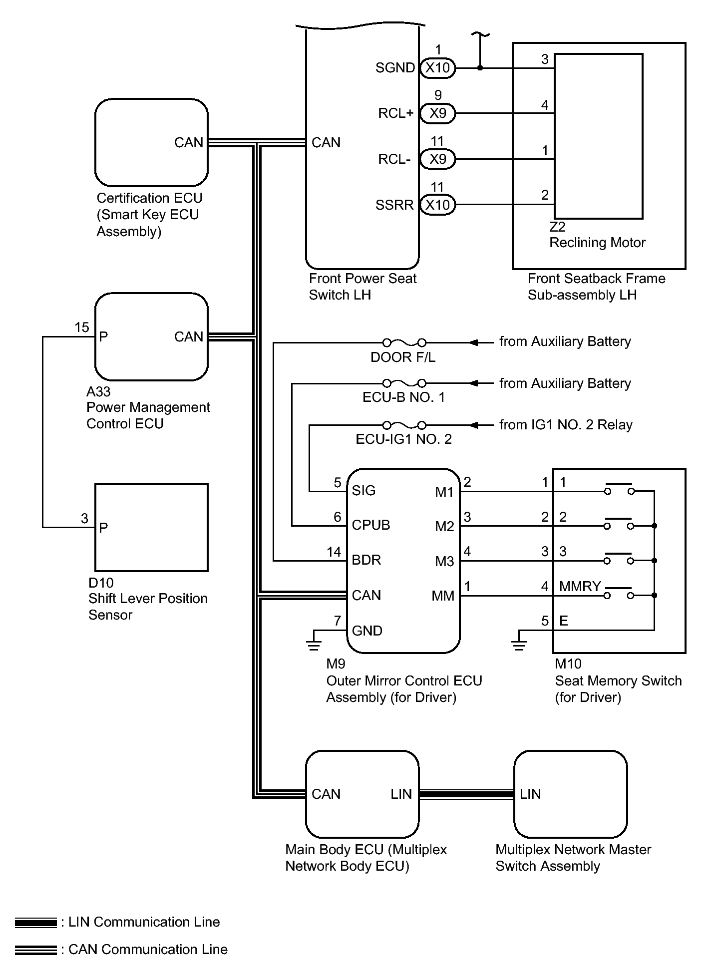
    Fig 2: Front Power Seat Control System Wiring Diagram (For Driver) (2 Of 3)
    GTY406420Courtesy of © TOYOTA, LICENSE AGREEMENT TMS1002
    Fig 3: Front Power Seat Control System Wiring Diagram (For Driver) (3 Of 3)
    GTY405539Courtesy of © TOYOTA, LICENSE AGREEMENT TMS1002
    COMMUNICATION TABLE

    Sender Receiver Signal Line
    Power Management Control ECU Main Body ECU (Multiplex Network Body ECU)
    • Transmission information
    • Park (P) state signal
    CAN
    Outer Mirror Control ECU Assembly (for Driver) Main Body ECU (Multiplex Network Body ECU)
    • M1 switch signal
    • M2 switch signal
    • M3 switch signal
    • SET switch signal
    CAN
    Main Body ECU (Multiplex Network Body ECU) Front Power Seat Switch LH
    • Park (P) state signal
    • Vehicle speed signal
    • Transmission information
    • Driving position buzzer request
    • Driver seat position request
    • Driver seat position data
    CAN
    Certification ECU (Smart Key ECU Assembly) Main Body ECU (Multiplex Network Body ECU)
    • Power switch signal
    • Memory call replay request
    • Key identification No. 1 to No. 7 acquisition condition
    CAN
    Front Power Seat Switch LH Main Body ECU (Multiplex Network Body ECU)
    • State signal of driver seat
    • State signal of driving position buzzer
    CAN
    Multiplex Network Master Switch Assembly Main Body ECU (Multiplex Network Body ECU) Door control switch signal LIN
  2. FOR FRONT PASSENGER 
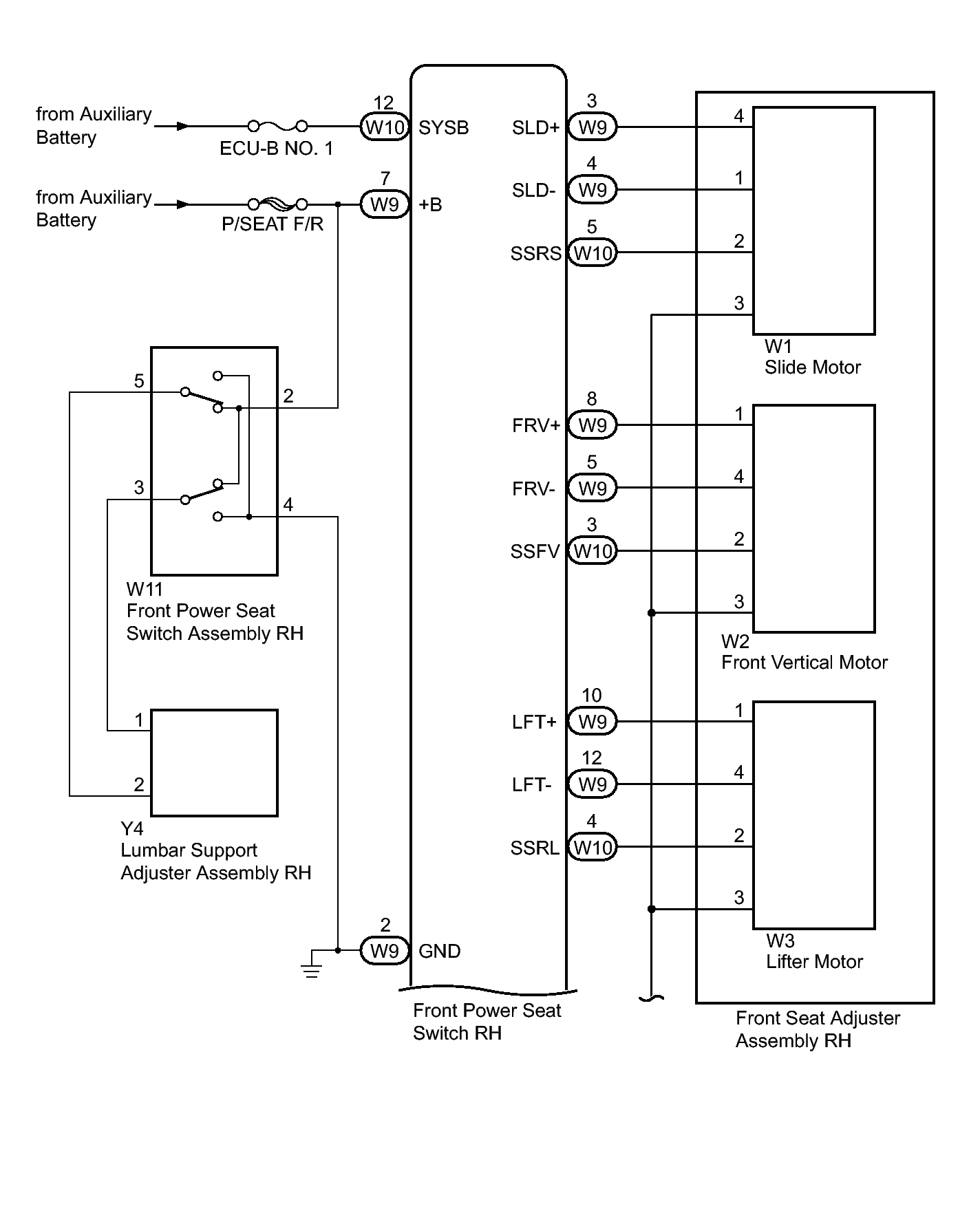
    Fig 4: Front Power Seat Control System Wiring Diagram (For Front Passenger) (1 Of 2)
    GTY464335Courtesy of © TOYOTA, LICENSE AGREEMENT TMS1002
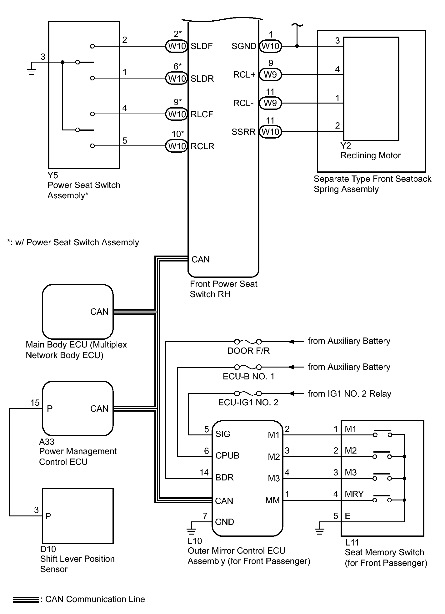
    Fig 5: Front Power Seat Control System Wiring Diagram (For Front Passenger) (2 Of 2)
    GTY457222Courtesy of © TOYOTA, LICENSE AGREEMENT TMS1002
    COMMUNICATION TABLE

    Sender Receiver Signal Line
    Power Management Control ECU Main Body ECU (Multiplex Network Body ECU)
    • Transmission information
    • Park (P) state signal
    CAN
    Outer Mirror Control ECU Assembly (for Front Passenger) Main Body ECU (Multiplex Network Body ECU)
    • M1 switch signal
    • M2 switch signal
    • M3 switch signal
    • SET switch signal
    CAN
    Main Body ECU (Multiplex Network Body ECU) Front Power Seat Switch RH
    • Park (P) state signal
    • Vehicle speed signal
    • Front passenger seat position request
    • Front passenger seat position data
    CAN