LEMON Manuals: Even more car manuals for everyone
Home >> Audi >> 2009 >> A6 Base >> Repair and Diagnosis (Single Page) >> Engine Performance >> Engine Control Systems >> 3.2L - Generic Scan Tool - On Board Diagnostic (OBD) - Engine Code: BKH >> 01 On Board Diagnostic (OBD) >> Diagnosis And Testing >> Engine Control Module Power Supply Relay, Checking

Engine Control Module Power Supply Relay, Checking

Special tools and workshop equipment required 

NOTE:

The Engine Control Module (ECM) Power Supply Relay -J363- supplies voltage to the ignition coils with power output stages and a few additional components. With the ignition switched on, 12 V must be present at the respective ignition coil connector, terminal 1.

Test Requirements 

Test Procedure 

-- Perform a preliminary check to verify the customer's complaint. Refer to PRELIMINARY CHECK .

Fig 1: Removing Rubber Seal And Plenum Chamber Cover
GWWA10-10128Courtesy of AUDI OF AMERICA, LLC

-- Remove the rubber seal -1- from the plenum chamber cover.

-- Remove the plenum chamber cover -2-.

Fig 2: Identifying Hex Head Nuts
GWWA92-0188Courtesy of AUDI OF AMERICA, LLC

-- Using a screwdriver, remove the wiper arms caps -arrows-.

-- Loosen the wiper arm nuts -arrows- several turns.

-- Loosen wiper arms by gently rocking.

-- Remove wiper arm nuts and wiper arms.

Fig 3: Bolts (Arrows) And Cowl Panel (1)
GWWA10-10154Courtesy of AUDI OF AMERICA, LLC

-- Remove the screws -arrows- retaining the cowl grill -1-.

-- Remove the cowl grill from the windshield.

Fig 4: Removing Bolts And Cover Form E-Box At Left In Engine Compartment
GWWA10-10129Courtesy of AUDI OF AMERICA, LLC

-- Remove the screws -arrows- and electronics box cover from the electronics box.

Fig 5: Identifying Fuse Panel In Center Bracket Of Instrument Panel
GWWA97-10088Courtesy of AUDI OF AMERICA, LLC

-- Remove the Engine Control Module (ECM) Power Supply Relay -J363- -3- from the electronics box.

If the manufacturers test box is being used, perform the following step.

-- Connect the Test Box 105 Pin VAG1598/42 with Adapter Cable1598/39-1. Refer to Component Locations Overview .

If the manufacturers test box is not being used, perform the following step.

-- Remove the Engine Control Module (ECM) -J623-. Refer to ENGINE CONTROL MODULE, REPLACING .

Checking voltage supply

-- Switch the ignition on.

Using a Multimeter --, check the electrical harness connector terminals to the Engine Control Module (ECM) -J623- electrical harness connector terminals for voltage.

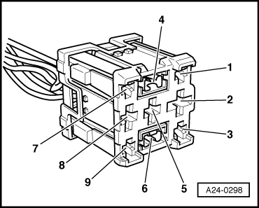
Fig 6: Identifying Secondary Air Pump Relay Terminals
GWWA24-0298Courtesy of AUDI OF AMERICA, LLC
Relay carrier (connector) position 3 Terminal Engine Control Module (ECM)J623 Electrical Harness Connector Terminal or Test Box Socket
4 69

Specified value: Battery voltage

If the specification is not obtained:

-- Check the wiring for a short circuit to Battery positive (+) or an open circuit.

-- If necessary, repair the wiring connection.

If no malfunctions are found in the wiring:

-- Using a Multimeter or equivalent, check the following wiring connections for voltage according to wiring diagram:

Relay carrier (connector) position 3 Terminal Measure to
1 Engine Ground (GND)
2 Engine Ground (GND)

Switch the ignition off.

Specified value: Battery voltage.

If the specified value is not obtained:

-- Check the wiring connections for an open circuit according to the wiring diagram.

Specified value: Wire resistance max 1.5 Ω.

If no malfunctions are found in the wiring:

Checking wire connection

Fig 7: Identifying Secondary Air Pump Relay Terminals
GWWA24-0298Courtesy of AUDI OF AMERICA, LLC

-- Using a Multimeter --, check the following wiring connections for resistance.

Relay Carrier (connector) Position 3 Terminal Engine Control Module (ECM)J623Electrical Harness Connector Terminal or Test Box Socket
2 3

Specified value: Wire resistance max 1.5 Ω

If the specification is not obtained:

-- Check the wiring for a short circuit to Battery positive (+) or an open circuit.

-- If necessary, repair the wiring connection.

If no malfunctions are detected:

-- Replace the Engine Control Module (ECM) Power Supply Relay -J363-. Refer to Component Locations Overview .

Assembly is performed in the reverse order of the removal.

After the repair work, the following work steps must be performed in the following sequence:

  1. Check the DTC memory. Refer to DIAGNOSTIC MODE 03 - READ DTC MEMORY .
  2. If necessary, erase the DTC memory. Refer to DIAGNOSTIC MODE 04 - ERASE DTC MEMORY .
  3. If the DTC memory was erased, generate readiness code. Refer to READINESS CODE .