LEMON Manuals: Even more car manuals for everyone
Home >> Audi >> 2009 >> A4 Base, 2D Convertible >> Repair and Diagnosis >> External Pages >> Different car >> Section 813 (OEM Wiring Diagrams) >> Audio System/Navigation- SONY With Sync/Touchscreen Display

Audio System/Navigation- SONY With Sync/Touchscreen Display

WARNING: This page is about a different car, the 2016 Ford Expedition. However, it is still accessible from the selected car via links, so may be relevant.
Fig 1: Audio System/Navigation- Sony with SYNC/Touchscreen Display Wiring Diagram (1 of 13)
GFDW59984Courtesy of FORD MOTOR COMPANY
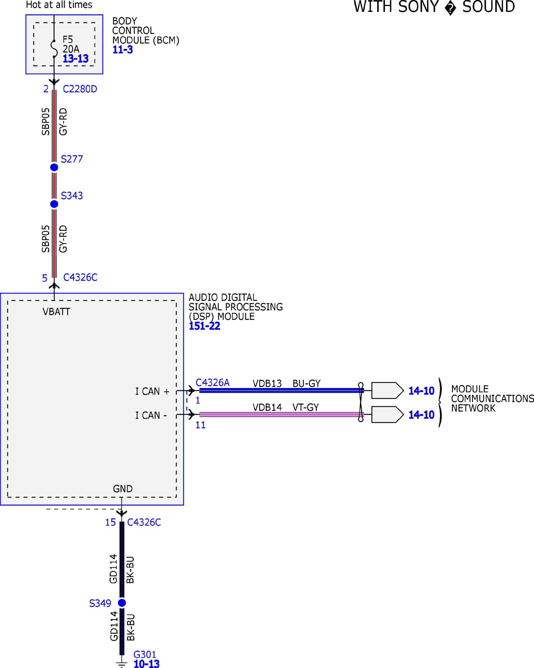
Fig 2: Audio System/Navigation- Sony with SYNC/Touchscreen Display Wiring Diagram (2 of 13)
GFDW59985Courtesy of FORD MOTOR COMPANY
Fig 3: Audio System/Navigation- Sony with SYNC/Touchscreen Display Wiring Diagram (3 of 13)
GFDW59986Courtesy of FORD MOTOR COMPANY
Fig 4: Audio System/Navigation- Sony with SYNC/Touchscreen Display Wiring Diagram (4 of 13)
GFDW59987Courtesy of FORD MOTOR COMPANY
Fig 5: Audio System/Navigation- Sony with SYNC/Touchscreen Display Wiring Diagram (5 of 13)
GFDW59988Courtesy of FORD MOTOR COMPANY
Fig 6: Audio System/Navigation- Sony with SYNC/Touchscreen Display Wiring Diagram (6 of 13)
GFDW59989Courtesy of FORD MOTOR COMPANY
Fig 7: Audio System/Navigation- Sony with SYNC/Touchscreen Display Wiring Diagram (7 of 13)
GFDW59990Courtesy of FORD MOTOR COMPANY
Fig 8: Audio System/Navigation- Sony with SYNC/Touchscreen Display Wiring Diagram (8 of 13)
GFDW59991Courtesy of FORD MOTOR COMPANY
Fig 9: Audio System/Navigation- Sony with SYNC/Touchscreen Display Wiring Diagram (9 of 13)
GFDW59992Courtesy of FORD MOTOR COMPANY
Fig 10: Audio System/Navigation- Sony with SYNC/Touchscreen Display Wiring Diagram (10 of 13)
GFDW59993Courtesy of FORD MOTOR COMPANY
Fig 11: Audio System/Navigation- Sony with SYNC/Touchscreen Display Wiring Diagram (11 of 13)
GFDW59994Courtesy of FORD MOTOR COMPANY
Fig 12: Audio System/Navigation- Sony with SYNC/Touchscreen Display Wiring Diagram (12 of 13)
GFDW59995Courtesy of FORD MOTOR COMPANY
Fig 13: Audio System/Navigation- Sony with SYNC/Touchscreen Display Wiring Diagram (13 of 13)
GFDW59996Courtesy of FORD MOTOR COMPANY