LEMON Manuals: Even more car manuals for everyone
Home >> Audi >> 2009 >> A4 Base, 2D Convertible >> Repair and Diagnosis >> External Pages >> Different car >> Section 813 (OEM Wiring Diagrams) >> Audio System/Navigation - With Sync Without Touchscreen

Audio System/Navigation - With Sync Without Touchscreen

WARNING: This page is about a different car, the 2016 Ford Expedition. However, it is still accessible from the selected car via links, so may be relevant.
Fig 1: Audio System/Navigation - With SYNC Without Touchscreen Wiring Diagram (1 of 7)
GFDW59977Courtesy of FORD MOTOR COMPANY
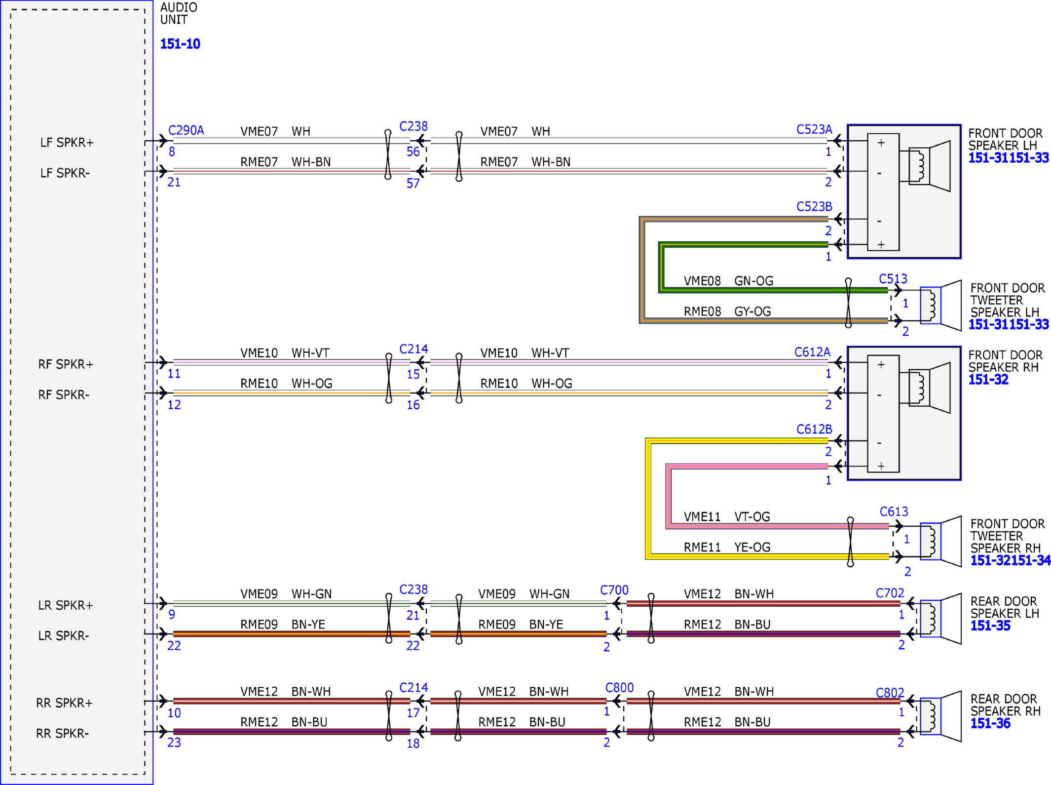
Fig 2: Audio System/Navigation - With SYNC Without Touchscreen Wiring Diagram (2 of 7)
GFDW59978Courtesy of FORD MOTOR COMPANY
Fig 3: Audio System/Navigation - With SYNC Without Touchscreen Wiring Diagram (3 of 7)
GFDW59979Courtesy of FORD MOTOR COMPANY
Fig 4: Audio System/Navigation - With SYNC Without Touchscreen Wiring Diagram (4 of 7)
GFDW59980Courtesy of FORD MOTOR COMPANY
Fig 5: Audio System/Navigation - With SYNC Without Touchscreen Wiring Diagram (5 of 7)
GFDW59981Courtesy of FORD MOTOR COMPANY
Fig 6: Audio System/Navigation - With SYNC Without Touchscreen Wiring Diagram (6 of 7)
GFDW59982Courtesy of FORD MOTOR COMPANY
Fig 7: Audio System/Navigation - With SYNC Without Touchscreen Wiring Diagram (7 of 7)
GFDW59983Courtesy of FORD MOTOR COMPANY