LEMON Manuals: Even more car manuals for everyone
Home >> Audi >> 2009 >> A4 Base, 2D Convertible >> Repair and Diagnosis >> External Pages >> Different car >> Section 813 (OEM Wiring Diagrams) >> Audio System/Navigation - THX With Sync/Touchscreen Display

Audio System/Navigation - THX With Sync/Touchscreen Display

WARNING: This page is about a different car, the 2016 Ford Expedition. However, it is still accessible from the selected car via links, so may be relevant.
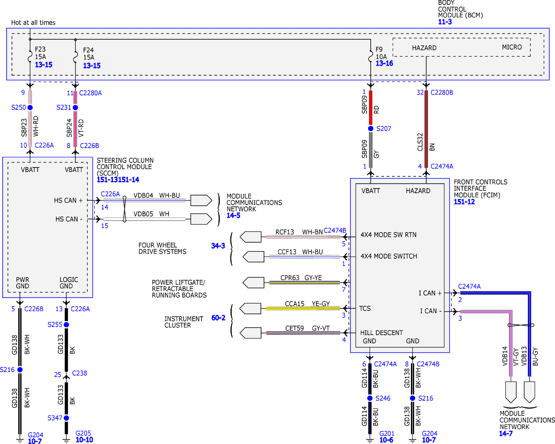
Fig 1: Audio System/Navigation - THX With SYNC/Touchscreen Display Wiring Diagram (1 of 13)
GFDW59964Courtesy of FORD MOTOR COMPANY
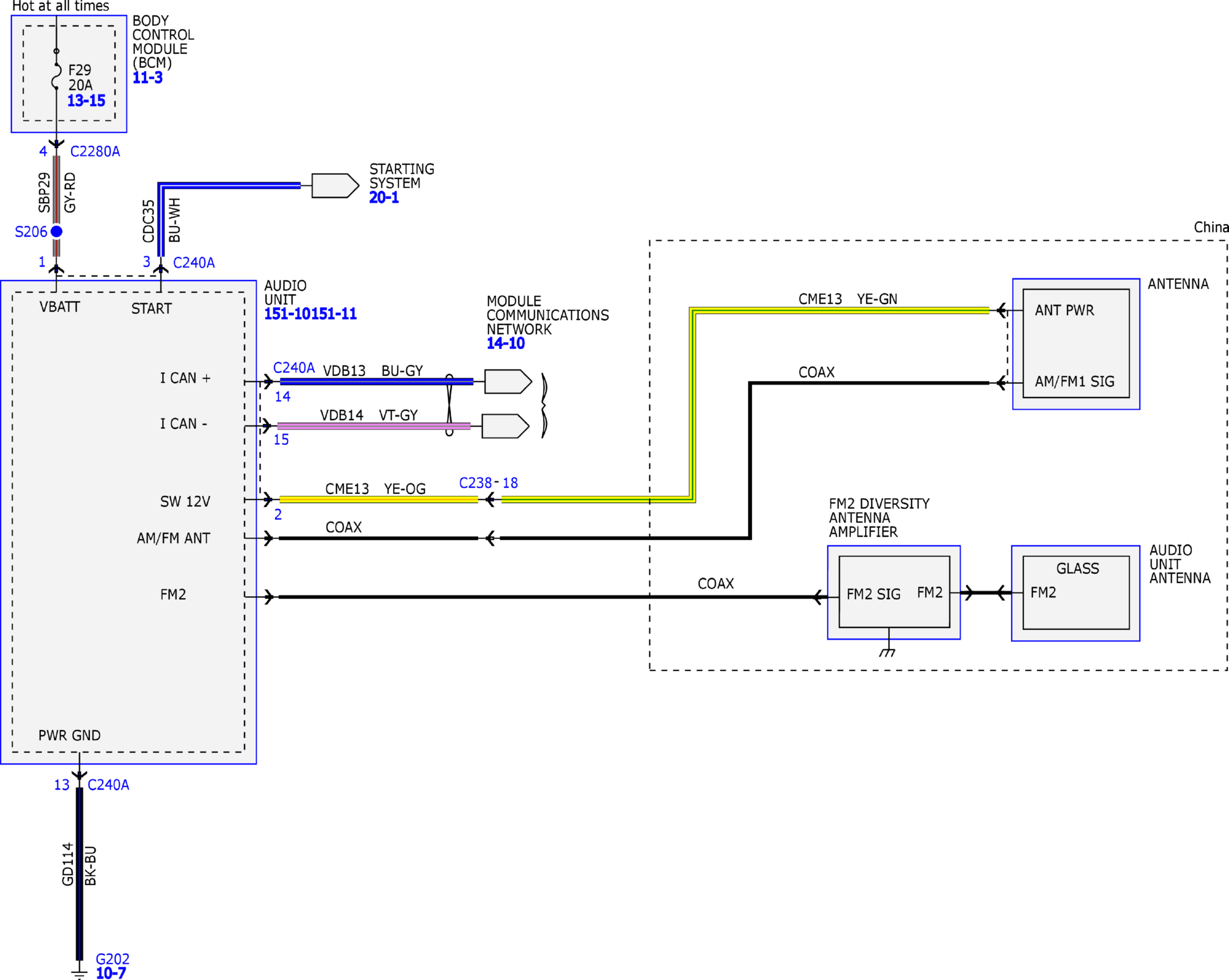
Fig 2: Audio System/Navigation - THX With SYNC/Touchscreen Display Wiring Diagram (2 of 13)
GFDW59965Courtesy of FORD MOTOR COMPANY
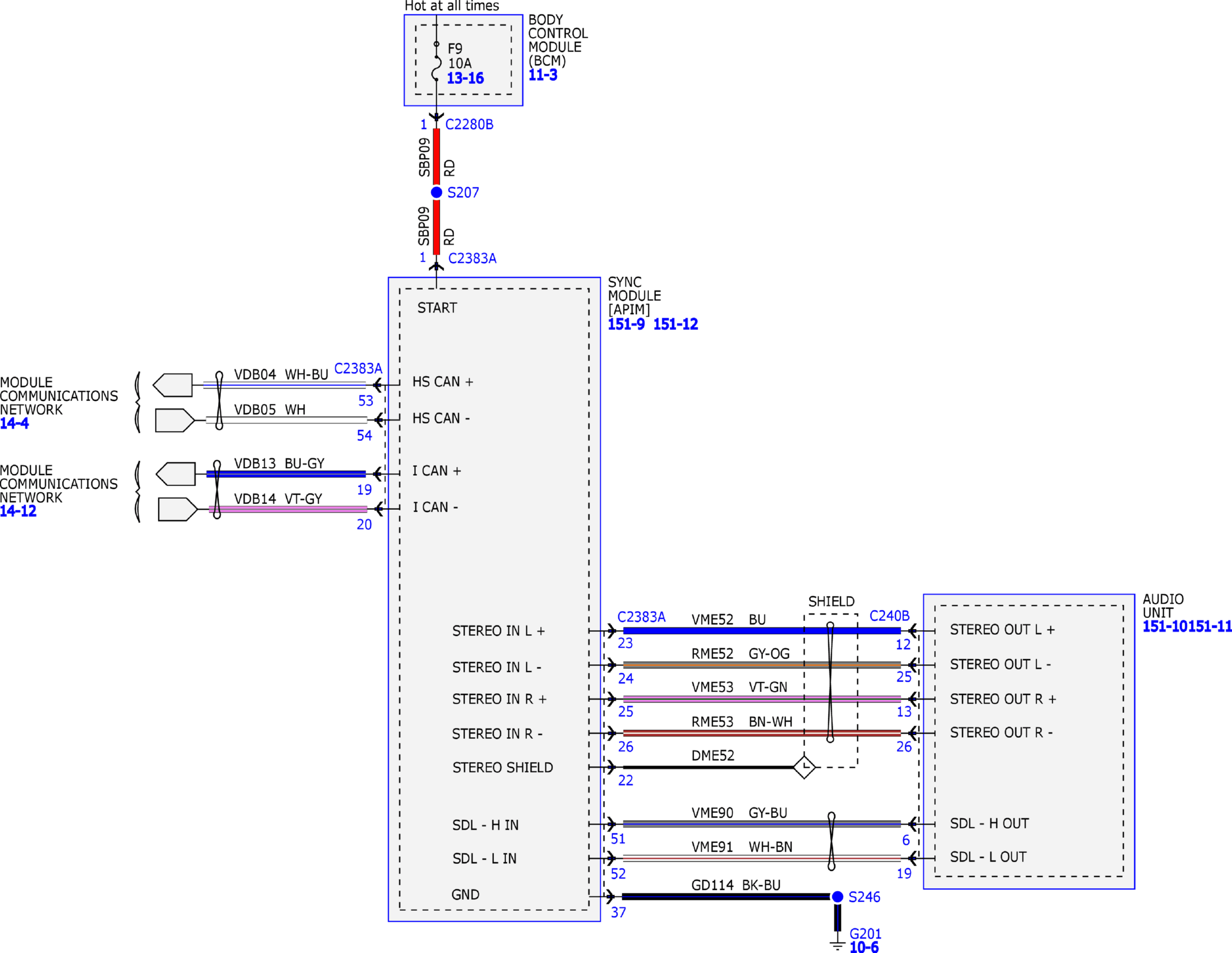
Fig 3: Audio System/Navigation - THX With SYNC/Touchscreen Display Wiring Diagram (3 of 13)
GFDW59966Courtesy of FORD MOTOR COMPANY
Fig 4: Audio System/Navigation - THX With SYNC/Touchscreen Display Wiring Diagram (4 of 13)
GFDW59967Courtesy of FORD MOTOR COMPANY
Fig 5: Audio System/Navigation - THX With SYNC/Touchscreen Display Wiring Diagram (5 of 13)
GFDW59968Courtesy of FORD MOTOR COMPANY
Fig 6: Audio System/Navigation - THX With SYNC/Touchscreen Display Wiring Diagram (6 of 13)
GFDW59969Courtesy of FORD MOTOR COMPANY
Fig 7: Audio System/Navigation - THX With SYNC/Touchscreen Display Wiring Diagram (7 of 13)
GFDW59970Courtesy of FORD MOTOR COMPANY
Fig 8: Audio System/Navigation - THX With SYNC/Touchscreen Display Wiring Diagram (8 of 13)
GFDW59971Courtesy of FORD MOTOR COMPANY
Fig 9: Audio System/Navigation - THX With SYNC/Touchscreen Display Wiring Diagram (9 of 13)
GFDW59972Courtesy of FORD MOTOR COMPANY
Fig 10: Audio System/Navigation - THX With SYNC/Touchscreen Display Wiring Diagram (10 of 13)
GFDW59973Courtesy of FORD MOTOR COMPANY
Fig 11: Audio System/Navigation - THX With SYNC/Touchscreen Display Wiring Diagram (11 of 13)
GFDW59974Courtesy of FORD MOTOR COMPANY
Fig 12: Audio System/Navigation - THX With SYNC/Touchscreen Display Wiring Diagram (12 of 13)
GFDW59975Courtesy of FORD MOTOR COMPANY
Fig 13: Audio System/Navigation - THX With SYNC/Touchscreen Display Wiring Diagram (13 of 13)
GFDW59976Courtesy of FORD MOTOR COMPANY