LEMON Manuals: Even more car manuals for everyone
Home >> Audi >> 2009 >> A4 Base, 2D Convertible >> Repair and Diagnosis >> External Pages >> Different car >> Section 515 (Engine Control System (Diagnostics - Introduction)) >> SFI System >> System Diagram [08/2013 - ] >> System Diagram [08/2013 - ]

System Diagram [08/2013 - ]

WARNING: This page is about a different car, the 2014 Lexus ES 300h. However, it is still accessible from the selected car via links, so may be relevant.
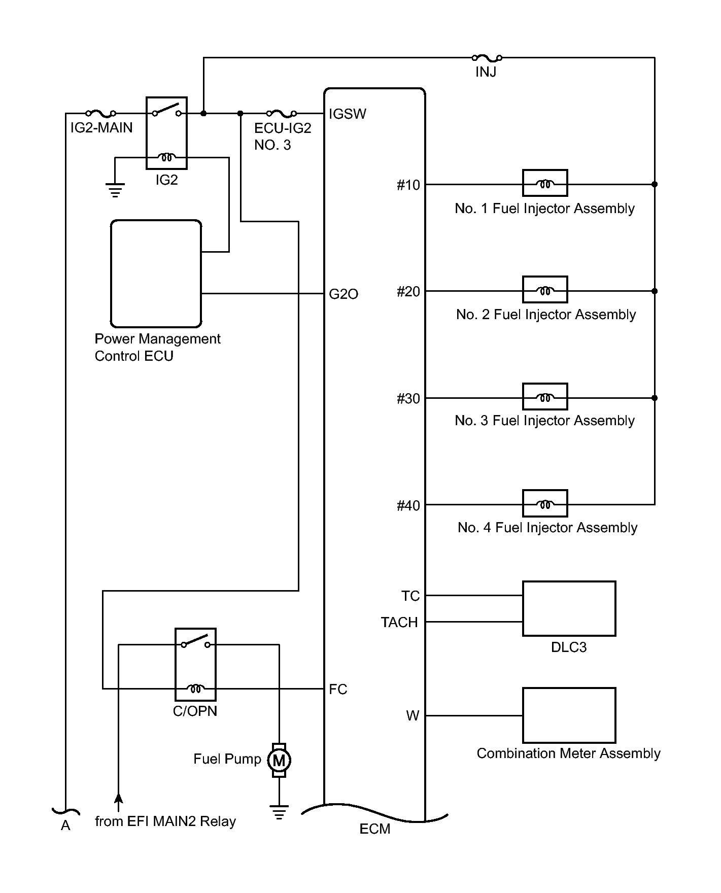
Fig 1: Engine Control System Wiring Diagram (1 Of 4)
GTY378832Courtesy of © TOYOTA, LICENSE AGREEMENT TMS1002
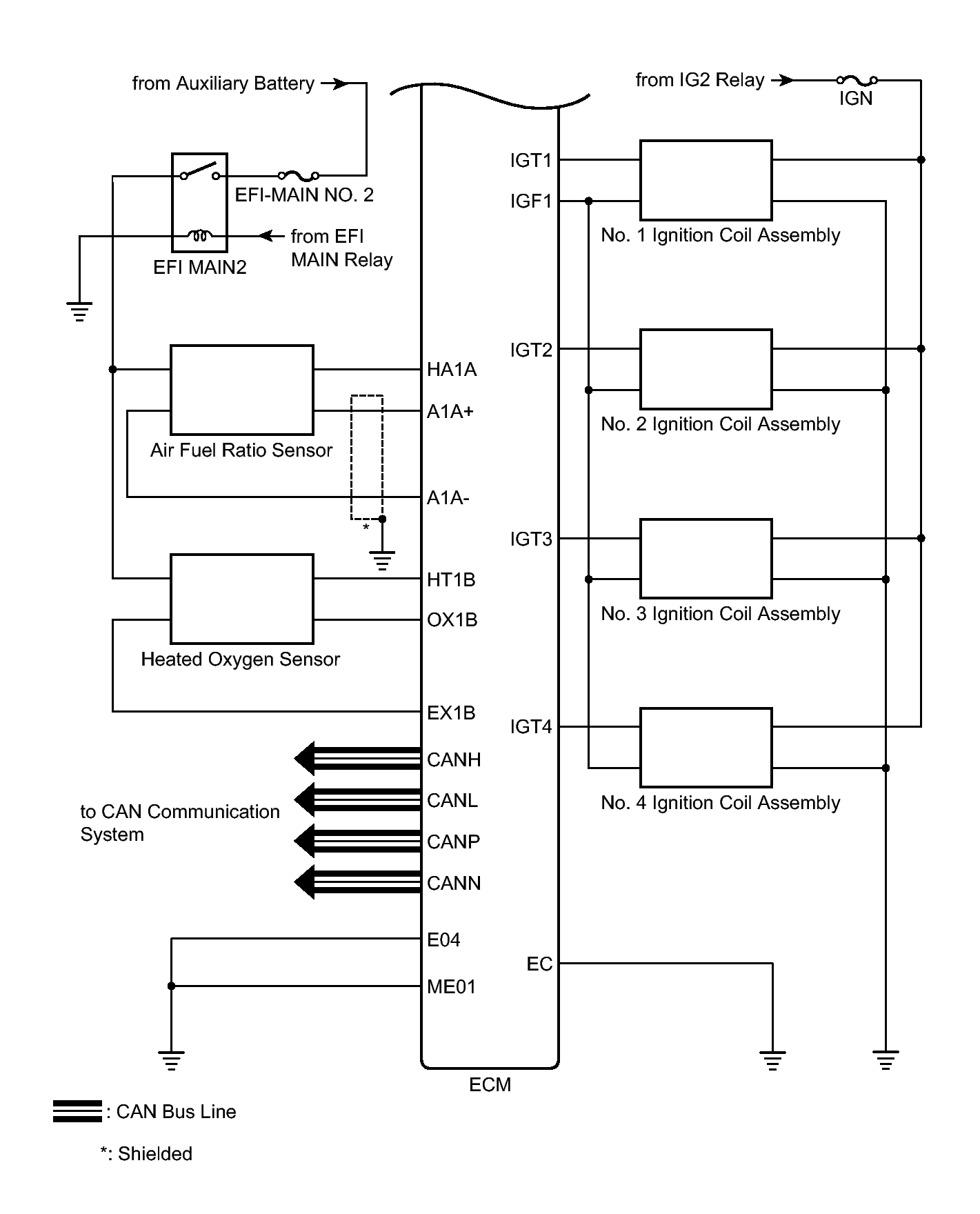
Fig 2: Engine Control System Wiring Diagram (2 Of 4)
GTY382397Courtesy of © TOYOTA, LICENSE AGREEMENT TMS1002
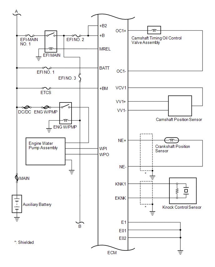
Fig 3: Engine Control System Wiring Diagram (3 Of 4)
GTY406281Courtesy of © TOYOTA, LICENSE AGREEMENT TMS1002
Fig 4: Engine Control System Wiring Diagram (4 Of 4)
GTY371059Courtesy of © TOYOTA, LICENSE AGREEMENT TMS1002