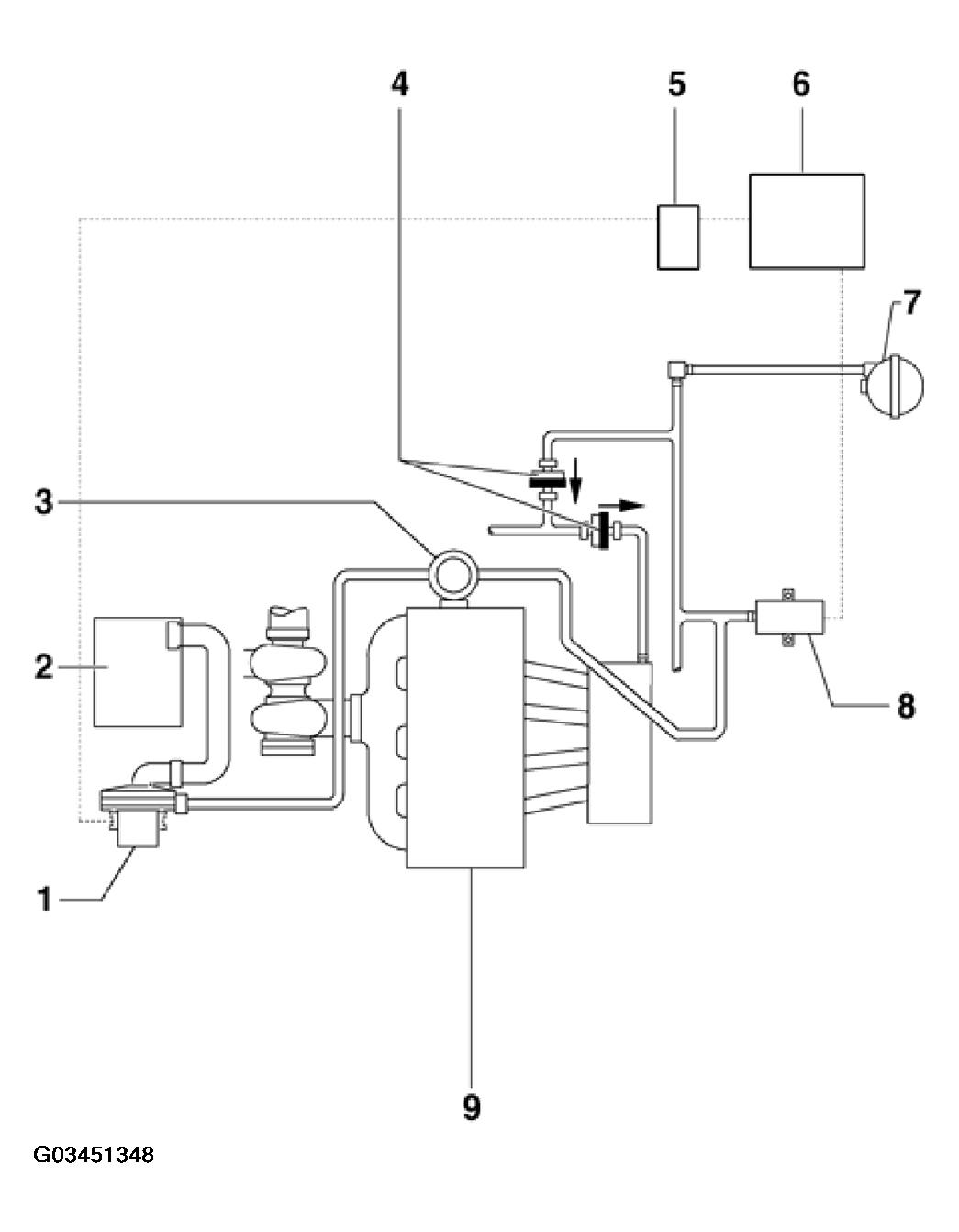
Secondary air system: Function
- In the cold start phase, the ECM -6- activates the secondary air pump -1- via the relay for secondary air pump -5-. Air reaches the combination valve for Secondary Air Injection (AIR) system -3-.
- The Secondary Air Injection (AIR) valve -8- is activated in parallel, which allows the vacuum to reach the combination valve for Secondary Air Injection (AIR) -3-. The combination valve for Secondary Air Injection (AIR) thereby opens the path for secondary air to the exhaust channels of the cylinder head.
Courtesy of AUDI OF AMERICA, INC.