LEMON Manuals: Even more car manuals for everyone
Home >> Acura >> 2025 >> MDX Base >> Repair and Diagnosis >> Engine Performance >> Engine Control Systems >> Body Electrical System - Troubleshooting - System Description >> Circuit Diagram >> Power Lumbar Support Circuit Diagram (3.5L Engine)

Power Lumbar Support Circuit Diagram (3.5L Engine)

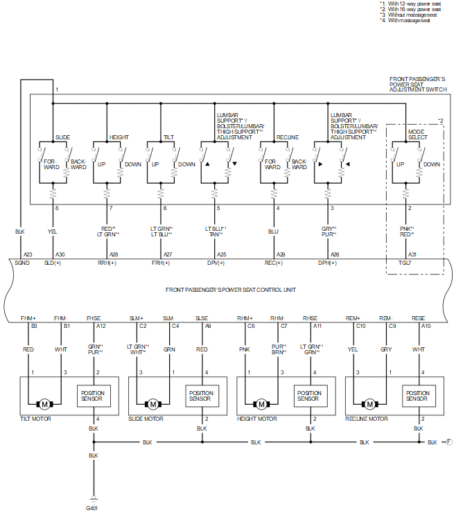
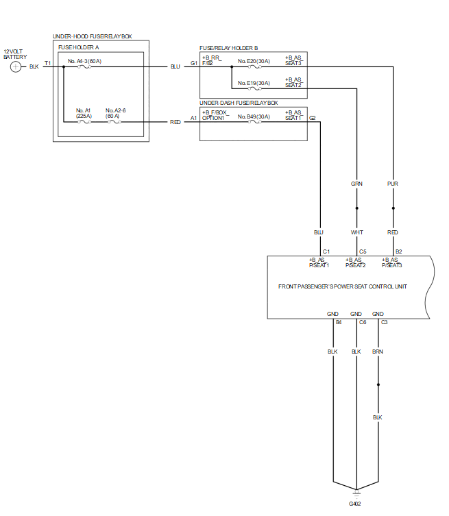
Front Passenger's Power Seat (without seat position memory system) 

GHH659238Courtesy of HONDA, U.S.A., INC.
GHH659239Courtesy of HONDA, U.S.A., INC.

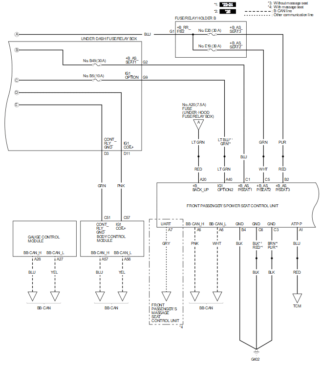
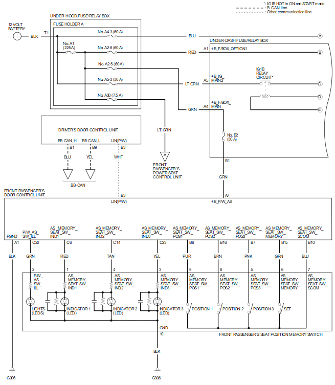
Front Passenger's Power Seat (with seat position memory system) 

NOTE: For details of the CAN circuit, refer to the Network Communications Circuit Diagram.
GHH659240Courtesy of HONDA, U.S.A., INC.
GHH659241Courtesy of HONDA, U.S.A., INC.
GHH659242Courtesy of HONDA, U.S.A., INC.
GHH659243Courtesy of HONDA, U.S.A., INC.