LEMON Manuals: Even more car manuals for everyone
Home >> Acura >> 2025 >> Integra Base >> Repair and Diagnosis >> Engine Performance >> System >> Engine Control System Advanced Diagnostics (P16E2 - U3502) >> Advanced Diagnostics >> DTC Advanced Diagnostics: P16F5 (1.5L Engine)

DTC Advanced Diagnostics: P16F5 (1.5L Engine)

DTC P16F5:  Starter Cut Relay 1 Control Circuit High Voltage

General Description 

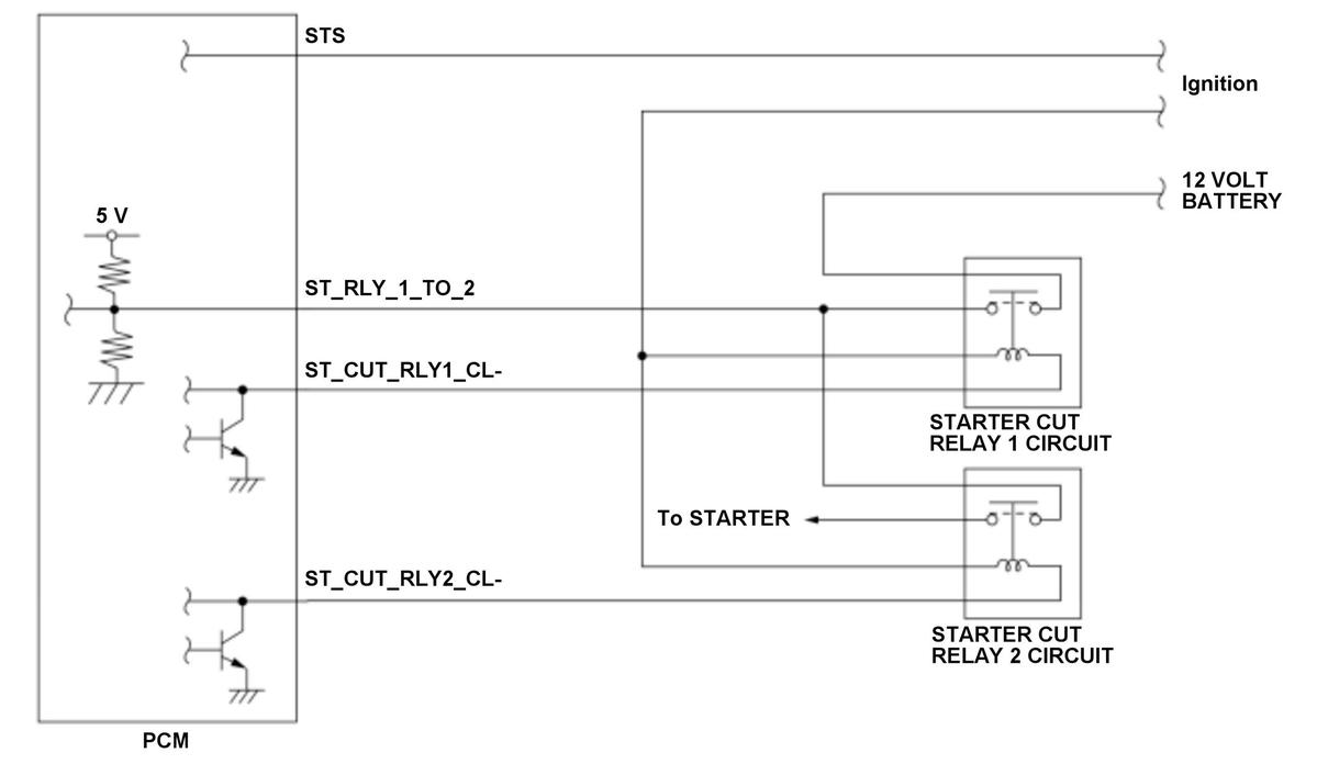
GHH529346Courtesy of HONDA, U.S.A., INC.

The starter control system prevents the starter from accidentally activating when the shift position is not in P or N position/mode (CVT) or the clutch pedal is released (M/T), or when the engine is running. If the vehicle is turned mistakenly while shift position is not in P or N position/mode (CVT) or the clutch pedal is released (M/T) or while the engine is running, the powertrain control module (PCM) will stop power to the starter cut relays. However, cranking to return from auto idle stop does not correspond to this (if equipped). In this system, two starter cut relays are connected in series (starter cut relay 1 circuit, starter cut relay 2 circuit) to prevent the starter from running continuously due to a starter cut relays malfunction. Also a diagnosis line (ST_RLY_1_TO_2) is connected to monitor the voltage between the starter cut relay 1 circuit and starter cut relay 2 circuit. Based on the diagnosis line signals, the PCM detects an OPEN malfunction of diagnosis line, an ON malfunction of starter cut relay 1 circuit, and an ON malfunction of starter cut relay 2 circuit. The PCM also equips with return signal circuits of starter cut relay 1 circuit and starter cut relay 2 circuit to detect an OFF malfunction. If the ST_CUT_RLY1_CL- return signal is HIGH for a specified time when the starter is ON (STS ON), the PCM detects a short to power of the ST_CUT_RLY1_CL- line and stores a DTC.

Monitor Execution, Sequence, Duration, DTC Type 

Execution Continuous
Sequence None
Duration 0.3 seconds or more
DTC Type One drive cycle, MIL off

Enable Conditions 

Condition  
Starter ON

Malfunction Threshold 

The ST_CUT_RLY1_CL- return signal is HIGH for at least 0.3 seconds when the starter is ON (STS ON).

Possible Cause 

NOTE:

The causes shown may not be a complete list of all potential problems, and it is possible that there may be other causes.

  • Starter cut relay 1 circuit ST_CUT_RLY1_CL- line short to power
  • PCM internal circuit failure

Diagnosis Details 

Conditions for setting the DTC 

When a malfunction is detected, a Pending DTC, a Confirmed DTC, the freeze data, and the on-board snapshot are stored in the PCM memory. The MIL does not come on.

Conditions for clearing the DTC 

The Pending DTC, the Confirmed DTC, the freeze data, and the on-board snapshot can be cleared with the scan tool clear command.