DTC Advanced Diagnostics: P003A (1.5L Engine)
DTC P003A: Turbocharger Wastegate Control Actuator Position Exceeded Learning Limit
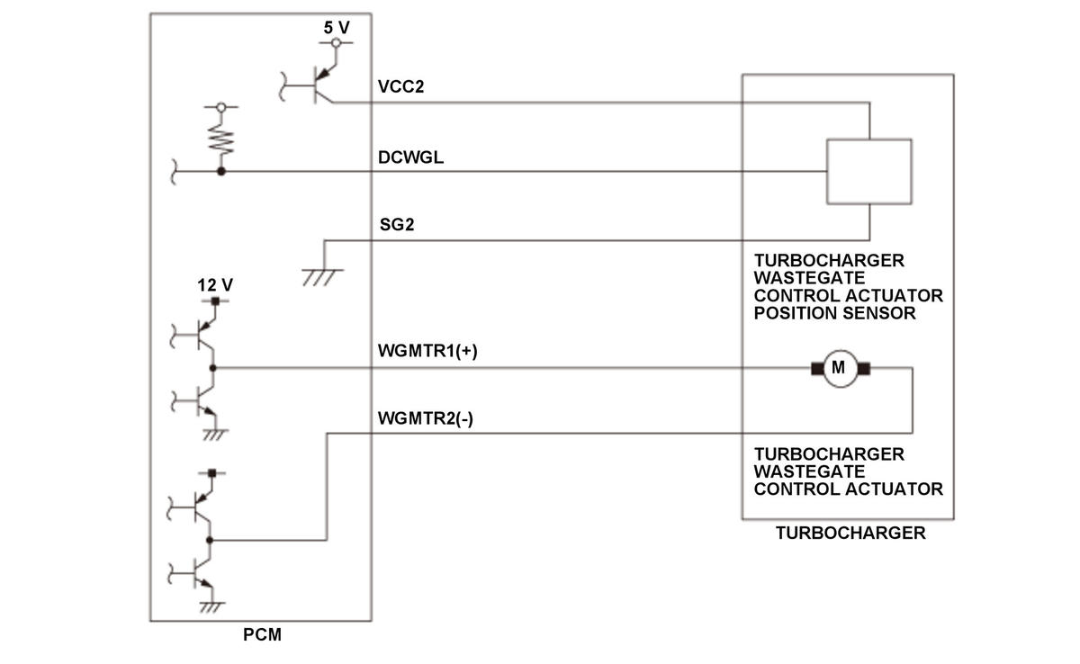
General Description
The powertrain control module (PCM) adjusts the boost pressure by controlling the turbocharger wastegate control actuator of the turbocharger. Boost pressure becomes higher by fully closing the turbocharger wastegate control valve driven by the turbocharger wastegate control actuator. The turbocharger wastegate control valve position is detected by the turbocharger wastegate control actuator position sensor and the signal is input to the PCM for target position feedback control. The turbocharger wastegate control actuator position sensor value when the turbocharger wastegate control valve is fully closed is stored as fully closed learning value. Target and actual positions are represented by the relative value from the fully closed position. The PCM sets a target position, and outputs a drive signal to the driver IC and drives the turbocharger wastegate control actuator to be equal to the target position. If the turbocharger wastegate control actuator position sensor value is out of normal range for a specified time when the turbocharger wastegate control valve is in fully closed position, the PCM detects a malfunction and stores a DTC.
Monitor Execution, Sequence, Duration, DTC Type
| Execution | Continuous |
| Sequence | None |
| Duration | 2 seconds or more |
| DTC Type | One drive cycle, MIL on |
Enable Conditions
| Condition | Minimum | Maximum |
|---|---|---|
| Engine coolant temperature [ECT Sensor 1] | 155.9 deg.F (68.8 deg.C) | - |
| 12 volt battery voltage [Battery] | 10 V | - |
| Vehicle | ON mode | |
[ ]: HDS Parameter
Malfunction Threshold
Either of the conditions is met for at least 2 seconds:
- The turbocharger wastegate control actuator position sensor value is -3.45 mm (-0.14 in) or less, or 2.03 mm (0.08 in) or more when the turbocharger wastegate control valve is in fully closed condition.
- The difference between the target position and the actual position is 0.1 mm (0.004 in) or more when the turbocharger wastegate control valve is in fully closed condition.
Possible Cause
The causes shown may not be a complete list of all potential problems, and it is possible that there may be other causes.
- Turbocharger wastegate control actuator failure
- Turbocharger wastegate control actuator position sensor failure
Diagnosis Details
Conditions for setting the DTC
When a malfunction is detected, the MIL comes on and a Pending DTC, a Confirmed DTC, the freeze data, and the on-board snapshot are stored in the PCM memory.
Conditions for clearing the DTC
The MIL is cleared if the malfunction does not return in three consecutive trips in which the diagnostic runs. The MIL, the Pending DTC, the Confirmed DTC, the freeze data, and the on-board snapshot can be cleared with the scan tool clear command.