LEMON Manuals: Even more car manuals for everyone
Home >> Acura >> 2023 >> MDX Base >> Repair and Diagnosis >> Engine Performance >> Engine Control Systems >> Body Electrical System - Troubleshooting - System Description >> Circuit Diagram >> Power Windows Circuit Diagram (3.5L Engine)

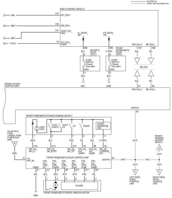
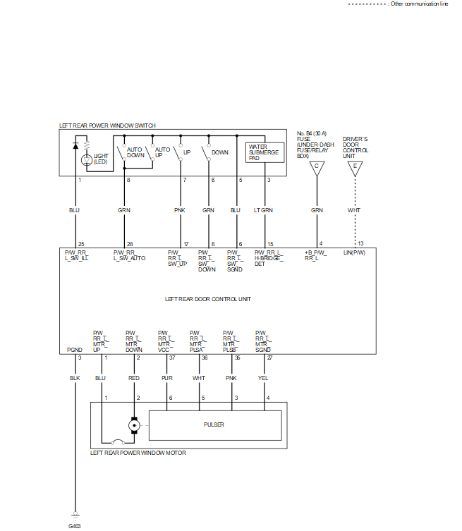
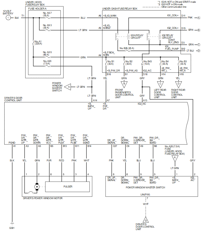
Power Windows Circuit Diagram (3.5L Engine)

NOTE:

For details of the CAN circuit, refer to the Network Communications Circuit Diagram.

GHH659272Courtesy of HONDA, U.S.A., INC.
GHH659273Courtesy of HONDA, U.S.A., INC.
GHH659274Courtesy of HONDA, U.S.A., INC.
GHH659275Courtesy of HONDA, U.S.A., INC.