LEMON Manuals: Even more car manuals for everyone
Home >> Acura >> 2023 >> MDX Base >> Repair and Diagnosis >> Engine Performance >> Engine Control Systems >> Body Electrical System - Troubleshooting - System Description >> Circuit Diagram >> Keyless/Power Door Locks/Security System Circuit Diagram (3.5L Engine)

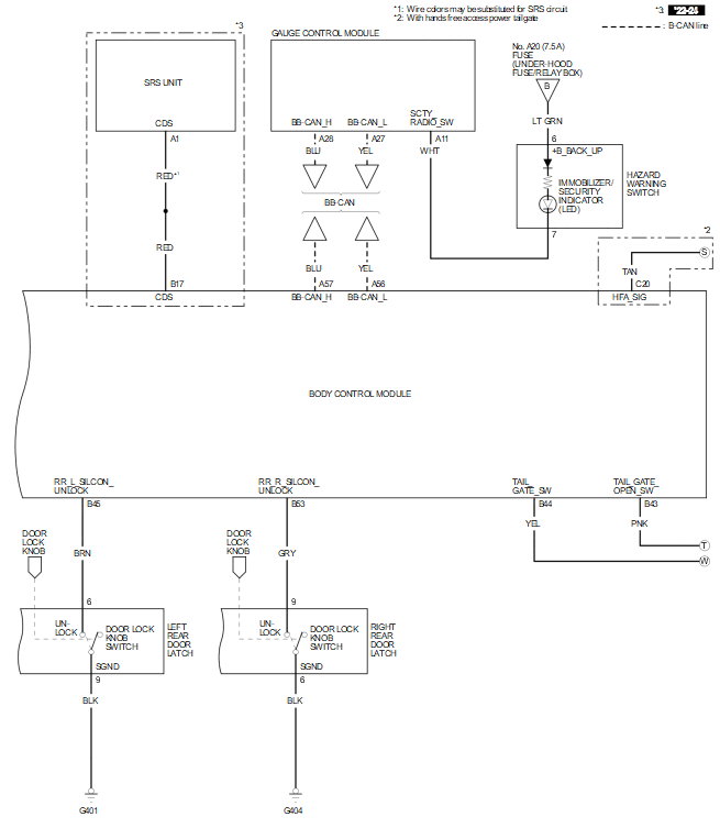
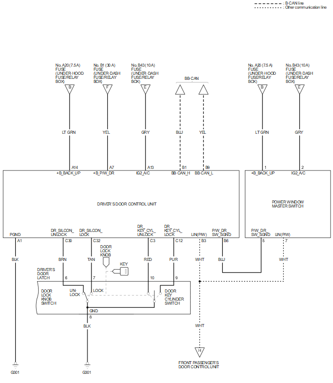
Keyless/Power Door Locks/Security System Circuit Diagram (3.5L Engine)

NOTE:

For details of the CAN circuit, refer to the Network Communications Circuit Diagram.

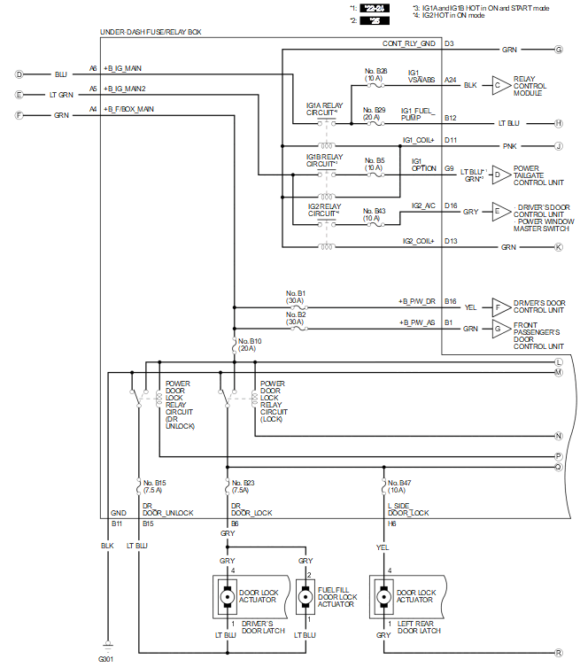
GHH659197Courtesy of HONDA, U.S.A., INC.
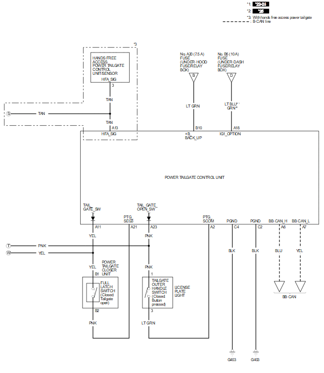
GHH659198Courtesy of HONDA, U.S.A., INC.
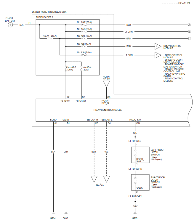
GHH659199Courtesy of HONDA, U.S.A., INC.
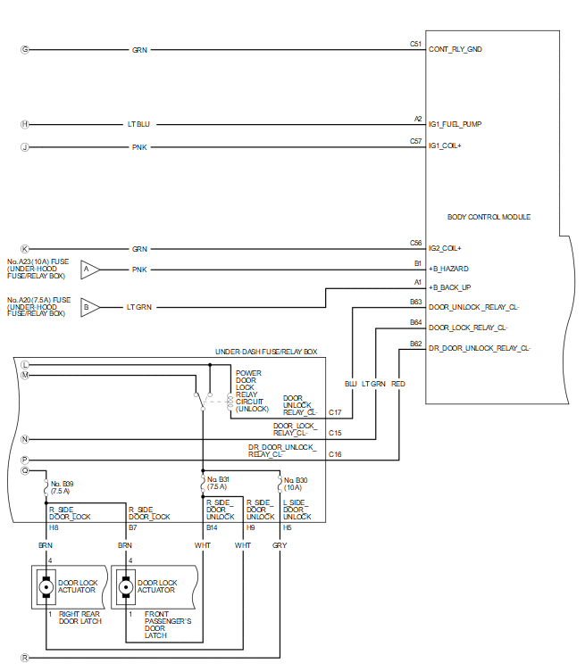
GHH659200Courtesy of HONDA, U.S.A., INC.
GHH659201Courtesy of HONDA, U.S.A., INC.
GHH659202Courtesy of HONDA, U.S.A., INC.
GHH659203Courtesy of HONDA, U.S.A., INC.
GHH659204Courtesy of HONDA, U.S.A., INC.
GHH659205Courtesy of HONDA, U.S.A., INC.