LEMON Manuals: Even more car manuals for everyone
Home >> Acura >> 2023 >> MDX Base >> Repair and Diagnosis >> Engine Performance >> Engine Control Systems >> Body Electrical System - Troubleshooting - System Description >> Circuit Diagram >> Keyless/Power Door Locks/Security System Circuit Diagram (3.0L Engine)

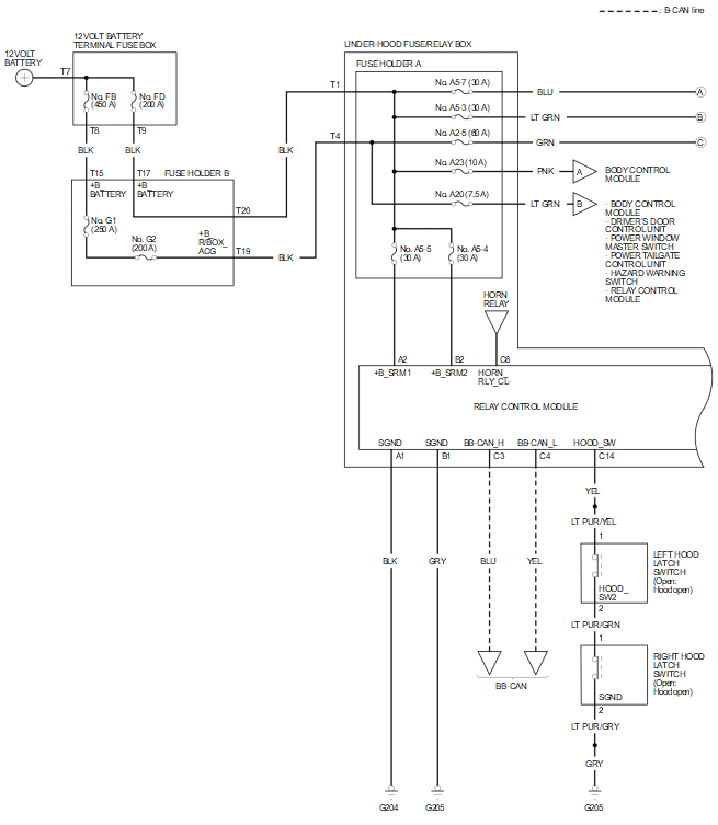
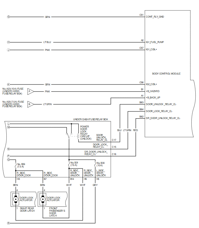
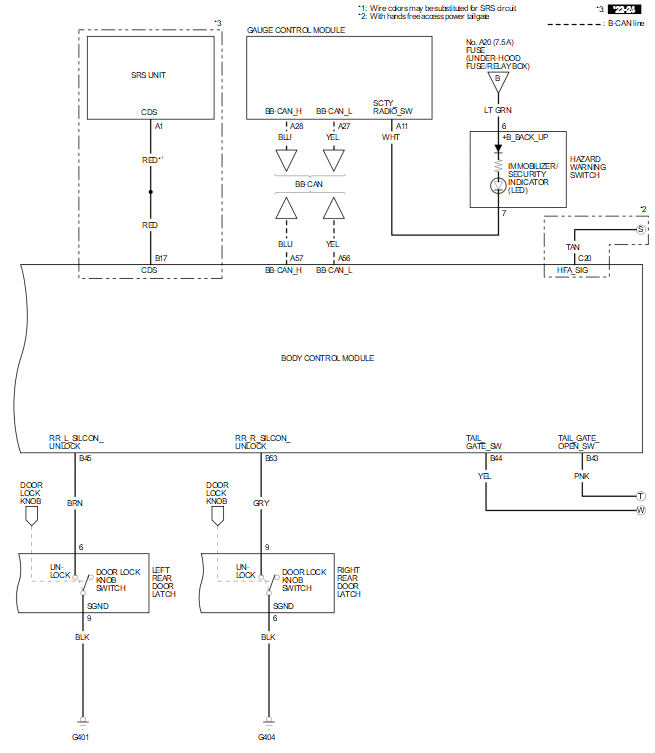
Keyless/Power Door Locks/Security System Circuit Diagram (3.0L Engine)

NOTE:

For details of the CAN circuit, refer to the Network Communications Circuit Diagram.

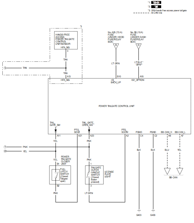
GHH659188Courtesy of HONDA, U.S.A., INC.
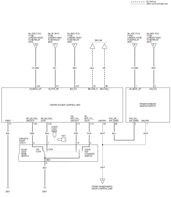
GHH659189Courtesy of HONDA, U.S.A., INC.
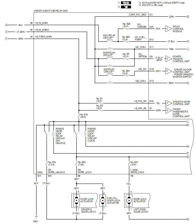
GHH659190Courtesy of HONDA, U.S.A., INC.
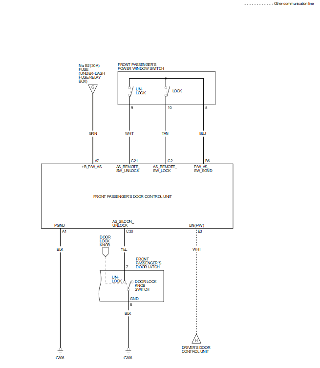
GHH659191Courtesy of HONDA, U.S.A., INC.
GHH659192Courtesy of HONDA, U.S.A., INC.
GHH659193Courtesy of HONDA, U.S.A., INC.
GHH659194Courtesy of HONDA, U.S.A., INC.
GHH659195Courtesy of HONDA, U.S.A., INC.
GHH659196Courtesy of HONDA, U.S.A., INC.