LEMON Manuals: Even more car manuals for everyone
Home >> Acura >> 2023 >> MDX Base >> Repair and Diagnosis >> Engine Performance >> Engine Control Systems >> Body Electrical System - Troubleshooting - System Description >> Circuit Diagram >> Keyless Access System Circuit Diagram (3.0L Engine)

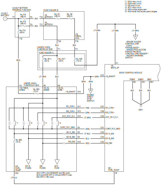
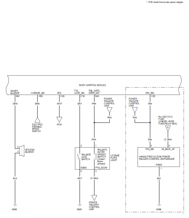
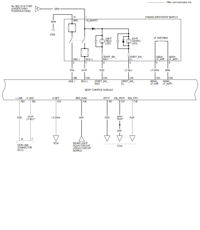
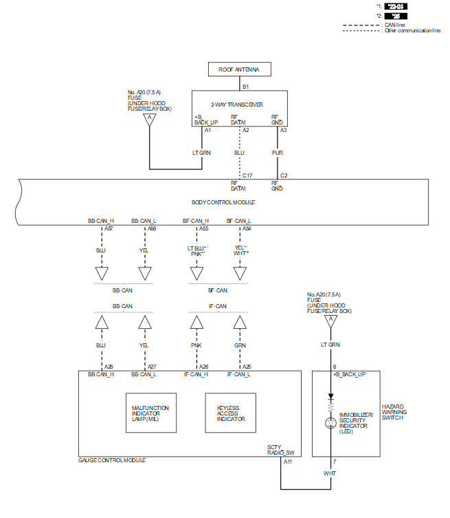
Keyless Access System Circuit Diagram (3.0L Engine)

NOTE:

For details of the CAN circuit, refer to the Network Communications Circuit Diagram.

GHH659176Courtesy of HONDA, U.S.A., INC.
GHH659177Courtesy of HONDA, U.S.A., INC.
GHH659178Courtesy of HONDA, U.S.A., INC.
GHH659179Courtesy of HONDA, U.S.A., INC.
GHH659180Courtesy of HONDA, U.S.A., INC.
GHH659181Courtesy of HONDA, U.S.A., INC.