LEMON Manuals: Even more car manuals for everyone
Home >> Acura >> 2023 >> MDX Base >> Repair and Diagnosis >> Engine Performance >> Engine Control Systems >> Body Electrical System - Troubleshooting - System Description >> Circuit Diagram >> HomeLink Remote Control System Circuit Diagram (3.0L Engine)

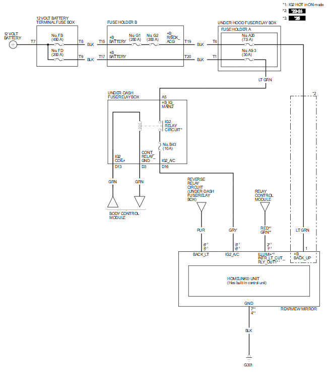
HomeLink Remote Control System Circuit Diagram (3.0L Engine)

GHH659141Courtesy of HONDA, U.S.A., INC.