LEMON Manuals: Even more car manuals for everyone
Home >> Acura >> 2023 >> MDX Base >> Repair and Diagnosis >> Engine Performance >> Engine Control Systems >> Body Electrical System - Troubleshooting - System Description >> Circuit Diagram >> Entry Lights Control System Circuit Diagram (3.0L Engine)

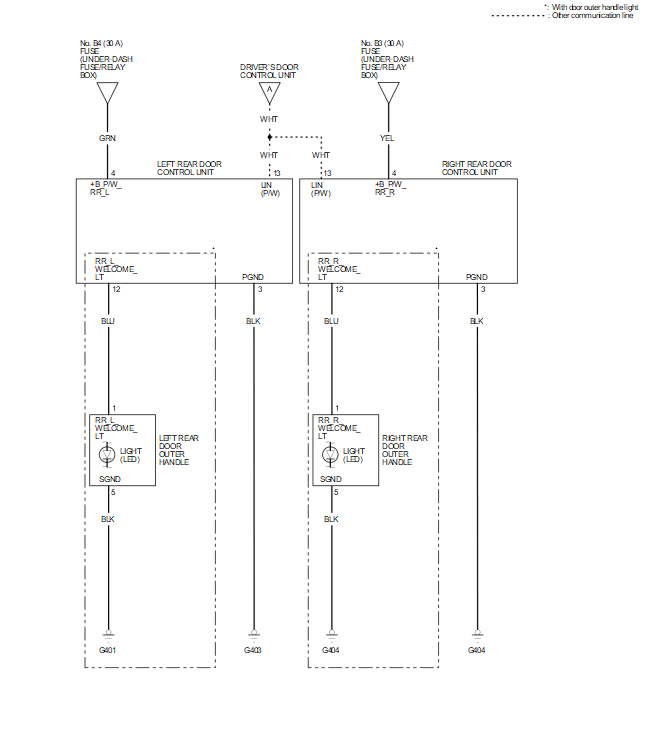
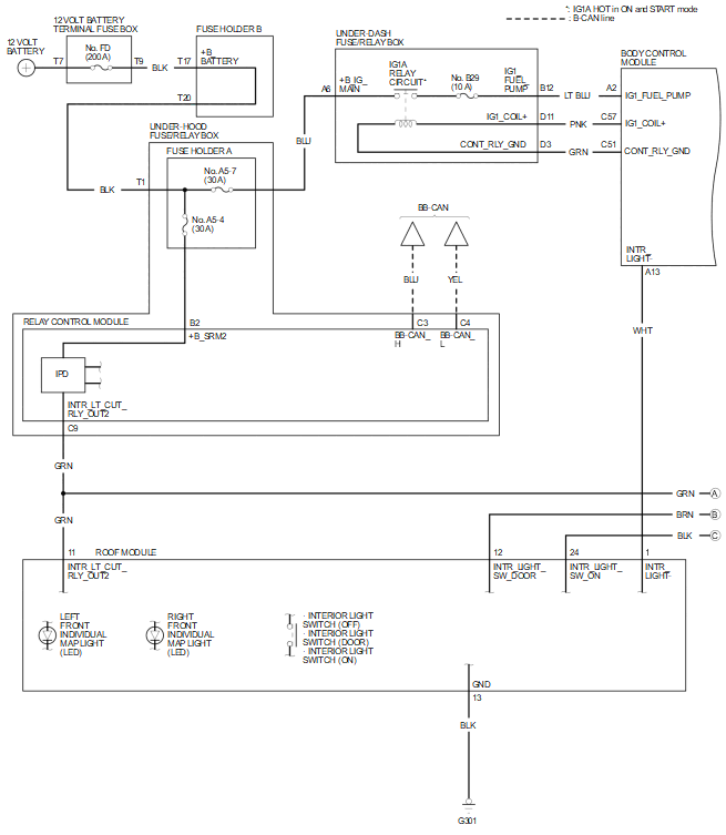
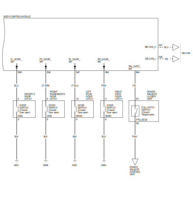
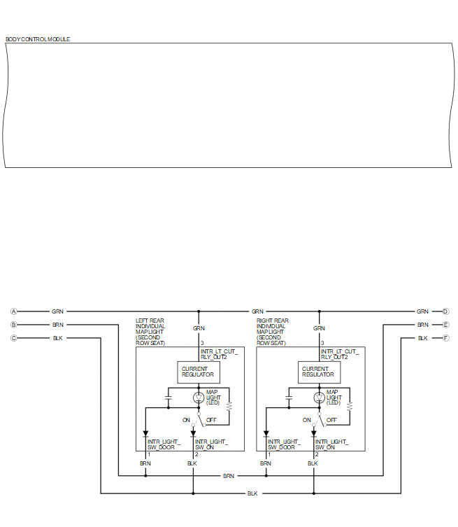
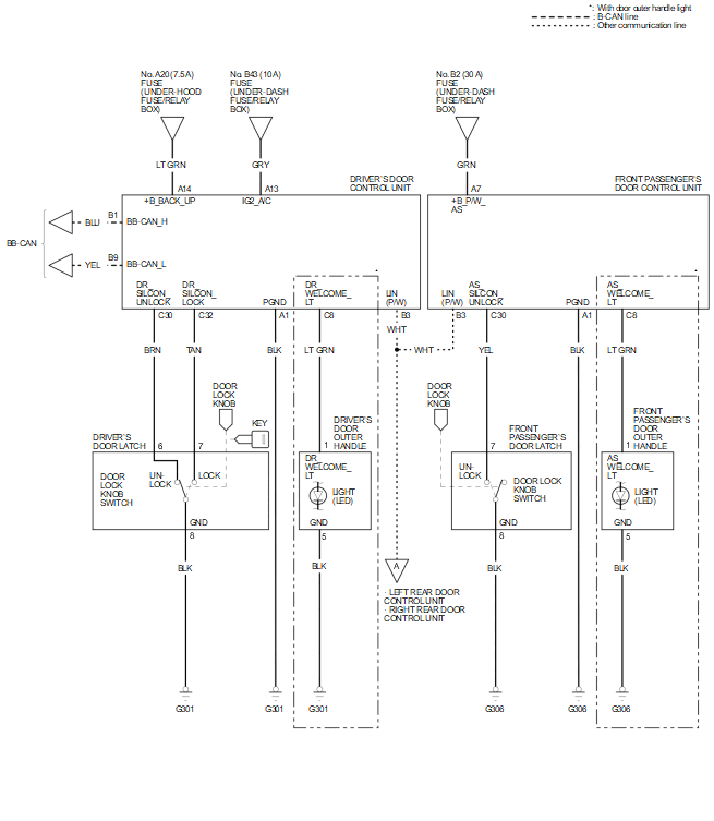
Entry Lights Control System Circuit Diagram (3.0L Engine)

NOTE:

For details of the CAN circuit, refer to the Network Communications Circuit Diagram.

GHH659099Courtesy of HONDA, U.S.A., INC.
GHH659100Courtesy of HONDA, U.S.A., INC.
GHH659101Courtesy of HONDA, U.S.A., INC.
GHH659102Courtesy of HONDA, U.S.A., INC.
GHH659103Courtesy of HONDA, U.S.A., INC.
GHH659104Courtesy of HONDA, U.S.A., INC.