LEMON Manuals: Even more car manuals for everyone
Home >> Acura >> 2023 >> MDX Base >> Repair and Diagnosis >> Engine Performance >> Engine Control Systems >> Body Electrical System - Troubleshooting - System Description >> Circuit Diagram >> Driving Position Memory System (DPMS) Circuit Diagram (3.0L Engine)

Driving Position Memory System (DPMS) Circuit Diagram (3.0L Engine)

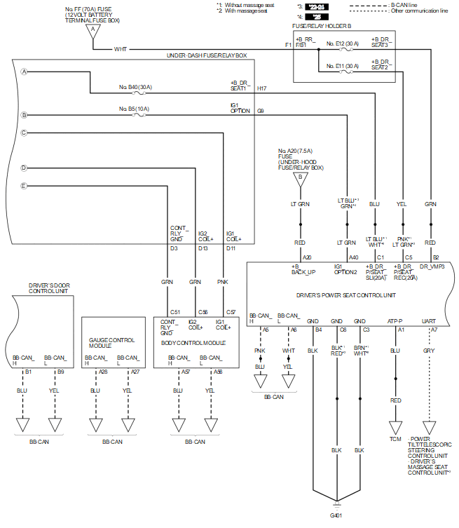
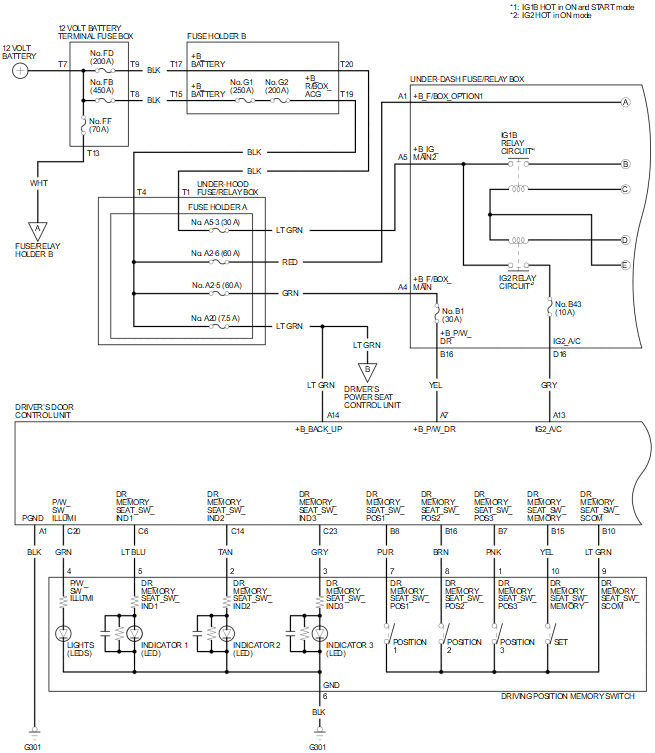
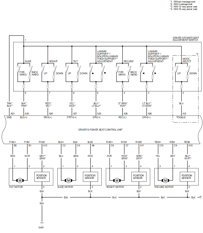
Driver's Power Seat 

NOTE: For details of the CAN circuit, refer to the Network Communications Circuit Diagram.
GHH659085Courtesy of HONDA, U.S.A., INC.
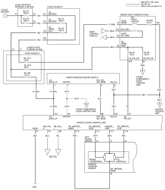
GHH659086Courtesy of HONDA, U.S.A., INC.
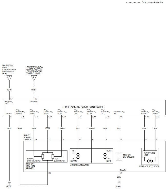
GHH659087Courtesy of HONDA, U.S.A., INC.
GHH659088Courtesy of HONDA, U.S.A., INC.

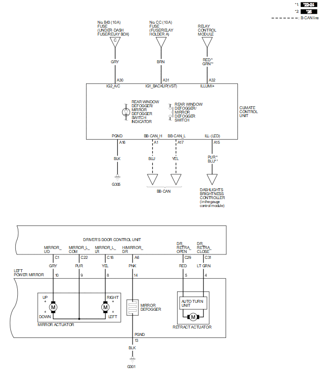
Power Mirror 

NOTE: For details of the CAN circuit, refer to the Network Communications Circuit Diagram.
GHH659089Courtesy of HONDA, U.S.A., INC.
GHH659090Courtesy of HONDA, U.S.A., INC.
GHH659091Courtesy of HONDA, U.S.A., INC.