LEMON Manuals: Even more car manuals for everyone
Home >> Acura >> 2023 >> Integra Base, Standard Trans >> Repair and Diagnosis >> Engine Performance >> System >> Engine Control System Advanced Diagnostics (P0420 - P016BB) >> Advanced Diagnostics >> DTC Advanced Diagnostics: P0615 (1.5L Engine) (2025)

DTC Advanced Diagnostics: P0615 (1.5L Engine) (2025)

DTC P0615  : Starter Cut Relay Diagnosis Circuit Malfunction

General Description 

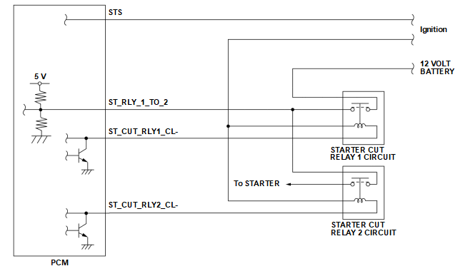
GHH652797Courtesy of HONDA, U.S.A., INC.

The starter control system prevents the starter from accidentally activating when the shift position is not in the P or N position/mode, or when the engine is running. If the vehicle is turned mistakenly while shift position is not in P or N or while the engine is running, the powertrain control module (PCM) will stop power to the starter cut relays. However, cranking to return from auto idle stop does not correspond to this. In this system, two starter cut relays are connected in series (starter cut relay 1 circuit, starter cut relay 2 circuit) to prevent the starter from running continuously due to a starter cut relay malfunction. Also a diagnosis line (ST_RLY_1_TO_2) is connected to monitor the voltage between the starter cut relay 1 circuit and starter cut relay 2 circuit. Based on the diagnosis line signals, the PCM detects an OPEN malfunction of diagnosis line, an ON malfunction of starter cut relay 1 circuit, and an ON malfunction of starter cut relay 2 circuit. The PCM also equips with return signal circuits of starter cut relay 1 circuit and starter cut relay 2 circuit to detect an OFF malfunction. If the voltage of the diagnosis line (ST_RLY_1_TO_2) input does not exceed the upper and lower limits for a specified duration when the starter is ON (STS ON), the PCM detects an OPEN malfunction of the diagnosis line and stores a DTC.

Monitor Execution, Sequence, Duration, DTC Type 

Execution Continuous
Sequence None
Duration 0.3 second or more
DTC Type Two drive cycles, MIL on* 1, off* 2

*1: USA/Canada models

*2: Mexico models

Enable Conditions 

Condition  
Starter ON

Malfunction Threshold 

The diagnosis line (ST_RLY_1_TO_2) input voltage [Starter Cut Relay] is between 2.3 V to 2.6 V for at least 0.3 second.

[ ]: HDS Parameter

Possible Cause 

NOTE:

The causes shown may not be a complete list of all potential problems, and it is possible that there may be other causes.

  • Starter cut relay circuit ST_RLY_1_TO_2 line open
  • PCM internal circuit failure

Diagnosis Details* 1 

Conditions for setting the DTC 

When a malfunction is detected during the first drive cycle, a Pending DTC is stored in the PCM memory. If the malfunction returns in the next (second) drive cycle, the MIL comes on and a Confirmed DTC, the freeze data, and the on-board snapshot are stored.

Conditions for clearing the DTC 

The MIL is cleared if the malfunction does not return in three consecutive trips in which the diagnostic runs. The MIL, the Pending DTC, the Confirmed DTC, the freeze data, and the on-board snapshot can be cleared with the scan tool clear command.

Diagnosis Details* 2 

Conditions for setting the DTC 

When a malfunction is detected during the first drive cycle, a Pending DTC is stored in the PCM memory. If the malfunction returns in the next (second) drive cycle, a Confirmed DTC, the freeze data, and the on-board snapshot are stored. The MIL does not come on.

Conditions for clearing the DTC 

The Pending DTC, the Confirmed DTC, the freeze data, and the on-board snapshot can be cleared with the scan tool clear command.