DTC Advanced Diagnostics: P2564, P2565 (3.0L Engine)
DTC P2564: Turbocharger Wastegate Control Actuator Position Sensor Circuit Low Voltage DTC P2565: Turbocharger Wastegate Control Actuator Position Sensor Circuit High Voltage
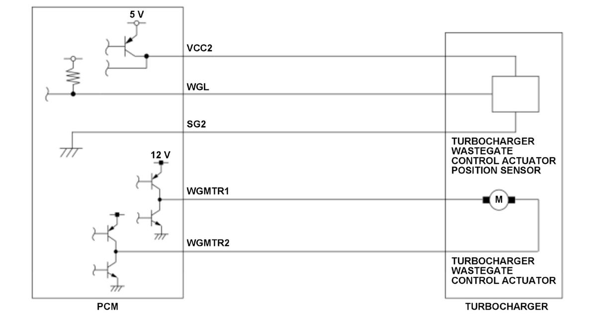
General Description
The turbocharger wastegate control actuator position sensor detects a position of the turbocharger wastegate control valve. The position is converted into electrical signal. The powertrain control module (PCM) can detect the position by measuring the voltage of the sensor output signal. The turbocharger wastegate control actuator position sensor outputs low signal voltage at valve close and high signal voltage at valve open. If a signal voltage from the turbocharger wastegate control actuator position sensor is a set value, the PCM detects a malfunction and stores a DTC.
Monitor Execution, Sequence, Duration, DTC Type
| Execution | Continuous |
| Sequence | None |
| Duration | 0.5 second or more |
| DTC Type | One drive cycle, MIL on |
Enable Conditions
| Condition | |
|---|---|
| Vehicle | ON mode |
Malfunction Threshold
DTC: P2564
The turbocharger wastegate control actuator position sensor output voltage [EWG Voltage From Lift Sensor] is 0.357 V* 1 (0.169 V)* 2 or less for at least 0.5 second.
DTC: P2565
The turbocharger wastegate control actuator position sensor output voltage [EWG Voltage From Lift Sensor] is 4.745 V* 1 (4.82 V)* 2 or more for at least 0.5 second.
*1: USA and Canada models*2: Mexico models[ ]: HDS Parameter
Possible Cause
DTC: P2564
- Turbocharger wastegate control actuator position sensor WGL line short to ground
- Turbocharger wastegate control actuator position sensor VCC2 line open
- Turbocharger wastegate control actuator position sensor VCC2 line short to ground
DTC: P2565
- Turbocharger wastegate control actuator position sensor WGL line short to power
- Turbocharger wastegate control actuator position sensor WGL line open
- Turbocharger wastegate control actuator position sensor SG2 line open
Common
- Turbocharger wastegate control actuator position sensor failure
- PCM internal circuit failure
Diagnosis Details
Conditions for setting the DTC
When a malfunction is detected, the MIL comes on and a Pending DTC, a Confirmed DTC, the freeze data, and the on-board snapshot are stored in the PCM memory.
Conditions for clearing the DTC
The MIL is cleared if the malfunction does not return in three consecutive trips in which the diagnostic runs. The MIL, the Pending DTC, the Confirmed DTC, the freeze data, and the on-board snapshot can be cleared with the scan tool clear command.