LEMON Manuals: Even more car manuals for everyone
Home >> Acura >> 2021 >> TLX Base >> Repair and Diagnosis >> Engine Performance >> System >> Engine Control System - Advanced Diagnostics (3 Of 3) >> Advanced Diagnostics >> DTC Advanced Diagnostics: P2148 (2.0L Engine)

DTC Advanced Diagnostics: P2148 (2.0L Engine)

DTC P2148:  Injector Power Supply Circuit Malfunction

General Description 

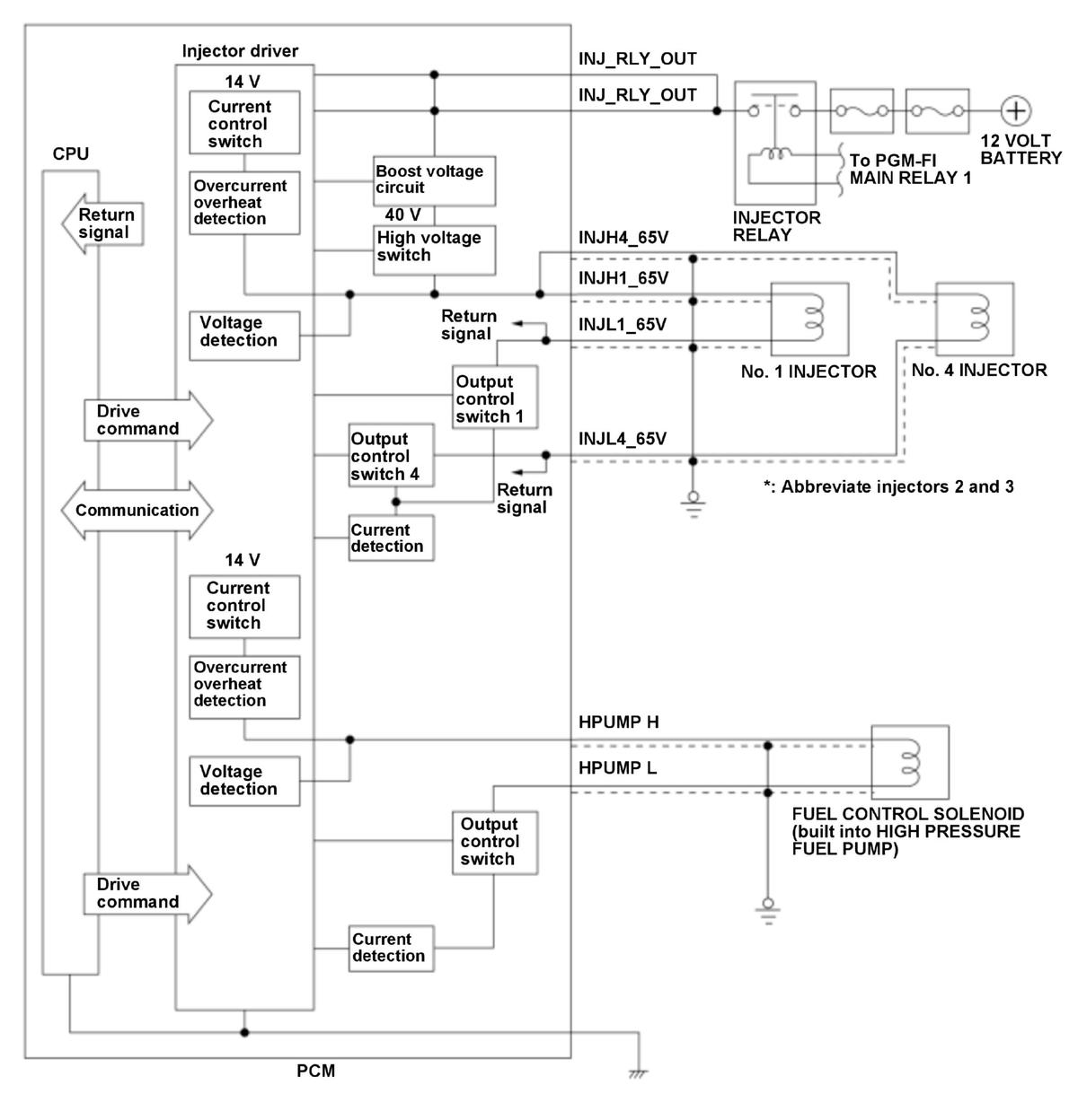
GHH479923Courtesy of HONDA, U.S.A., INC.

The powertrain control module (PCM) uses main CPU power and regenerative energy generated from the high pressure fuel pump to supply the boost voltage for the direct injector. The damper circuit built into the PCM lowers the voltage when the boosted voltage is too high. If the boosted voltage is a specified voltage for a specified time, the PCM detects a malfunction and stores a DTC.

Monitor Execution, Sequence, Duration, DTC Type 

Execution Continuous
Sequence None
Duration 0.03 second or more
DTC Type Two drive cycles, MIL on

Enable Conditions 

Condition  
Vehicle ON mode

Malfunction Threshold 

The boosted voltage is 54 V or more for at least 0.03 second.

Possible Cause 

NOTE: The causes shown may not be a complete list of all potential problems, and it is possible that there may be other causes

Diagnosis Details 

Conditions for setting the DTC 

When a malfunction is detected during the first drive cycle, a Pending DTC is stored in the PCM memory. If the malfunction returns in the next (second) drive cycle, the MIL comes on and a Confirmed DTC, the freeze data, and the on-board snapshot are stored.

Conditions for clearing the DTC 

The MIL is cleared if the malfunction does not return in three consecutive trips in which the diagnostic runs. The MIL, the Pending DTC, the Confirmed DTC, the freeze data, and the on-board snapshot can be cleared with the scan tool clear command.