LEMON Manuals: Even more car manuals for everyone
Home >> Acura >> 2021 >> TLX Base >> Repair and Diagnosis >> Engine Performance >> System >> Engine Control System - Advanced Diagnostics (3 Of 3) >> Advanced Diagnostics >> DTC Advanced Diagnostics: P2073 (3.0L Engine)

DTC Advanced Diagnostics: P2073 (3.0L Engine)

DTC P2073:  Manifold Absolute Pressure (MAP) Sensor Signal

General Description 

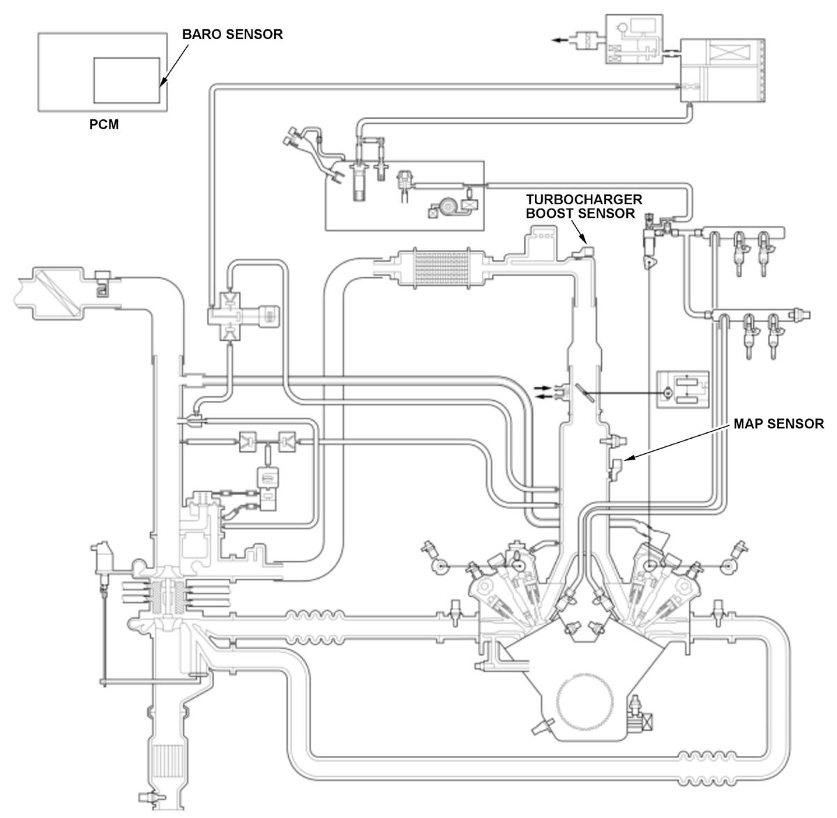
GHH479883Courtesy of HONDA, U.S.A., INC.
GHH479884Courtesy of HONDA, U.S.A., INC.

The powertrain control module (PCM) detects a characteristic abnormality of the manifold absolute pressure (MAP) sensor during the fuel cut-off. If the MAP sensor value during the fuel-cut off is high, the PCM detects a malfunction and stores a DTC.

Monitor Execution, Sequence, Duration, DTC Type 

Execution Continuous
Sequence None
Duration 2.5 seconds or more
DTC Type Two drive cycles, MIL on

Enable Conditions 

Condition Minimum Maximum
Engine speed [Engine Speed] 1, 250 rpm -
Other During fuel cut-off

[ ]: HDS Parameter

Malfunction Threshold 

BARO sensor value - (minus) MAP sensor value is more than -15 kPa (-112 mmHg, -4.4 inHg) for at least 2.5 seconds.

Possible Cause 

NOTE: The causes shown may not be a complete list of all potential problems, and it is possible that there may be other causes.

Confirmation Procedure 

Operating Condition 

Diagnosis Details 

Conditions for setting the DTC 

When a malfunction is detected during the first drive cycle, a Pending DTC is stored in the PCM memory. If the malfunction returns in the next (second) drive cycle, the MIL comes on and a Confirmed DTC, the freeze data, and the on-board snapshot are stored.

Conditions for clearing the DTC 

The MIL is cleared if the malfunction does not return in three consecutive trips in which the diagnostic runs. The MIL, the Pending DTC, the Confirmed DTC, the freeze data, and the on-board snapshot can be cleared with the scan tool clear command.