DTC Advanced Diagnostics: P06E4 (3.0L Engine)
DTC P06E4: Powertrain Control Module (PCM) Wake Up Timer Malfunction
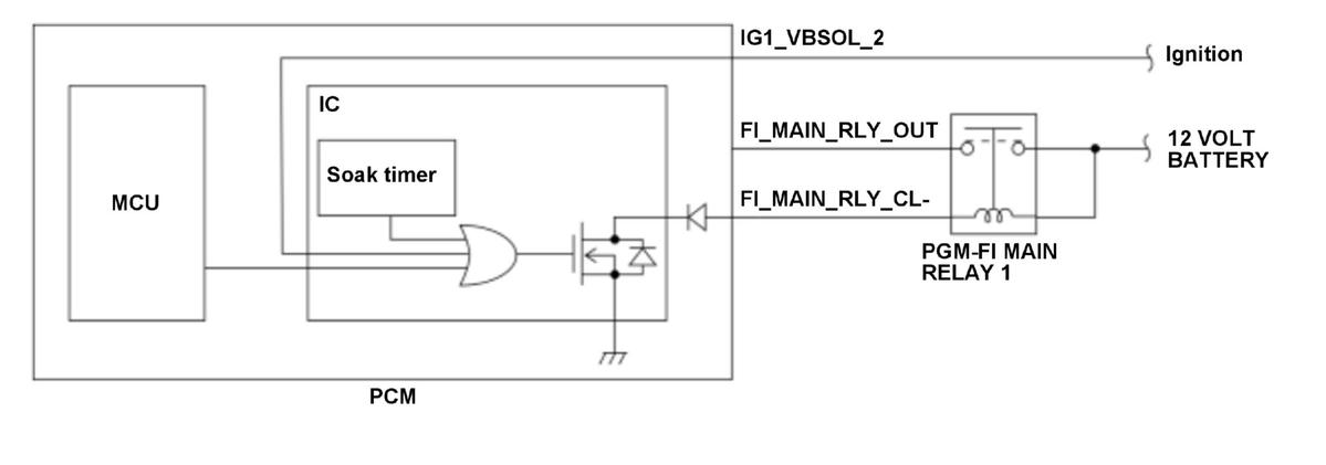
General Description
To supply power (FI_MAIN_RLY_OUT) for the powertrain control module (PCM), the PGM-FI main relay 1 drive request that is generated from the logical sum of the external signal (IG1_VBSOL_2) and the internal signal (PGM-FI main relay 1 drive request and soak timer) drives the FI_MAIN_RLY_CL- terminal, and turns the PGM-FI main relay 1 on. The soak timer continues to measure the time during off of the microcomputer (MCU) by supplying power from the +B_VBS/VBU line. The soak timer line drives to turn the PGM-FI main relay 1 on by the activation timer that is set at the time of MCU off and activates the MCU. The PCM performs the diagnosis of the soak timer with the following methods.
- Timer check
The soak timer is activated in normal driving condition to measure the time that is used for comparing with the time measured in the MCU after the vehicle is turned to the OFF (LOCK) to detect the lowering of accuracy and counting stop of the counter in the soak timer. If there is a time difference between them, the PCM detects a malfunction and stores a DTC.
- Full count check
The counter in the soak timer is counted to a maximum value after the vehicle is turned to the OFF (LOCK) mode to detect failure of the counter. If the counter cannot count to a maximum value, the PCM detects a malfunction and stores a DTC.
- Driver IC settings check
The MCU reads out a value from the driver IC via serial communication if the settings for waking up the system is appropriately set. If the two values read out from the driver IC are different, the PCM detects a malfunction and stores a DTC.
- Wake up check
The PCM confirms if the system woke up at the set timing at the time of the system wake up. If the system does not wake up at the expected timing or after the vehicle is turned to the ON mode, the PCM detects a malfunction and stores a DTC.
Monitor Execution, Sequence, Duration, DTC Type
| Execution | Continuous |
| Sequence | None |
| Duration | - |
| DTC Type | One drive cycle, MIL on |
Enable Conditions
| Condition | |
|---|---|
| Vehicle | ON mode |
Malfunction Threshold
Any of the condition occurs:
- Timer check
There is a difference between the value of the counter in the soak timer and the calculated value in the MCU.
- Full count check
The counter cannot count to a maximum value (retry read-out for twice).
- Driver IC settings check
The two values read out from the driver IC are different.
- Wake up check
The system woke up more than 60 seconds behind the expected timing or the system does not wake up even though specified duration passed after the vehicle ON mode.
Possible Cause
- PGM-FI main relay 1 stuck off
- PCM power supply line open
- PCM internal circuit failure
Confirmation Procedure
Operating Condition
- Turn the vehicle to the ON mode, and wait for at least 30 seconds.
- Turn the vehicle to the OFF (LOCK) mode, and leave the vehicle for at least 5 hours.
- Turn the vehicle to the ON mode.
Diagnosis Details
Conditions for setting the DTC
When a malfunction is detected, the MIL comes on and a Pending DTC, a Confirmed DTC, the freeze data, and the on-board snapshot are stored in the PCM memory.
Conditions for clearing the DTC
The MIL is cleared if the malfunction does not return in three consecutive trips in which the diagnostic runs. The MIL, the Pending DTC, the Confirmed DTC, the freeze data, and the on-board snapshot can be cleared with the scan tool clear command.