LEMON Manuals: Even more car manuals for everyone
Home >> Acura >> 2021 >> TLX Base >> Repair and Diagnosis >> Engine Performance >> System >> Engine Control System - Advanced Diagnostics (2 Of 3) >> Advanced Diagnostics >> DTC Advanced Diagnostics: P0685 (3.0L Engine)

DTC Advanced Diagnostics: P0685 (3.0L Engine)

DTC P0685:  Powertrain Control Module (PCM) Power Control Circuit

General Description 

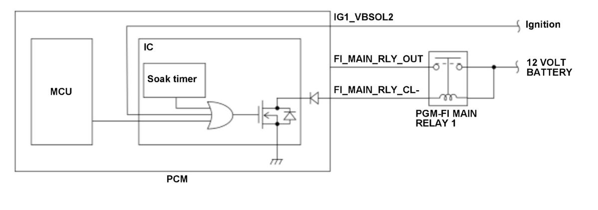
GHH479828Courtesy of HONDA, U.S.A., INC.

To supply power (FI_MAIN_RLY_OUT) for the powertrain control module (PCM), the PGM-FI main relay 1 drive request that is generated from the logical sum of the external signal (IG1_VBSOL_2) and the internal signal (PGM-FI main relay 1 drive request and soak timer) drives the FI_MAIN_RLY_CL- terminal, and turns the PGM-FI main relay 1 on. Even after the vehicle is turned to the OFF (LOCK) mode, the PCM requests on of the PGM-FI main relay 1 to continue receiving power. However, if the FI_MAIN_RLY_CL- line is stuck off, the process after the vehicle OFF (LOCK) mode cannot be done. The IC of the PCM monitors the PGM-FI main relay 1 drive request from the microcomputer (MCU) and stores the status to the register. The MCU monitors the status of the FI_MAIN_RLY_CL- line by reading the register value of the IC using serial communication. If the register value read out from the IC is off while the MCU requests on to the PGM-FI main relay 1, the PCM detects a malfunction and stores a DTC.

Monitor Execution, Sequence, Duration, DTC Type 

Execution Continuous
Sequence None
Duration 10 seconds or more
DTC Type One drive cycle, MIL on

Enable Conditions 

Condition  
Vehicle ON mode

Malfunction Threshold 

The register value read out from the IC is off for at least 10 seconds while the MCU requests on to the PGM-FI main relay 1.

Possible Cause 

NOTE: The causes shown may not be a complete list of all potential problems, and it is possible that there may be other causes.

Diagnosis Details 

Conditions for setting the DTC 

When a malfunction is detected, the MIL comes on and a Pending DTC, a Confirmed DTC, the freeze data, and the on-board snapshot are stored in the PCM memory.

Conditions for clearing the DTC 

The MIL is cleared if the malfunction does not return in three consecutive trips in which the diagnostic runs. The MIL, the Pending DTC, the Confirmed DTC, the freeze data, and the on-board snapshot can be cleared with the scan tool clear command.